81-717/714
| 81-717/714 | |
|---|---|
| | |
| Производство | |
| Главный конструктор | А. Г. Акимов |
| Годы постройки |
1976—1988 (базовая модель); с 1976 (все модификации) |
| Страна постройки |
|
| Производитель | Трансмашхолдинг (с 2002) |
| Завод |
|
| Составов построено | 1042 |
| Вагонов построено | 7409 (все модификации) |
| Нумерация |
81-717: 8400—8867, 9050—9349, 0001—0153; 81-714: 7202—8189, 9350—9999, 0401—0496 |
| Технические данные | |
| Тип токосъёма | нижний боковой контактный рельс, токосъём снизу |
| Род тока и напряжение | 750 В постоянного тока[к 1] |
| Типы вагонов | Мг/Мп[к 2] |
| Число вагонов в составе | 2—8 |
| Количество дверей | 2×4 |
| Полная вместимость | 309/330[к 2] |
| Сидячих мест | 42/48 либо 40/44[к 2] |
| Длина вагона | 19 206 мм |
| Ширина | 2670 мм |
| Высота | 3650 мм |
| Диаметр колёс | 780 мм |
| Ширина колеи |
1520 мм 1435 мм |
| Масса тары | 34/33,5 т |
| Материал вагона | сталь |
| Выходная мощность | 8×456 = 3648 кВт (8-вагонный состав) |
| Тип ТЭД | ДК-117Д |
| Мощность ТЭД | 4×114 = 456 кВт |
| Max. скорость | 90 км/ч |
| Max. служебная скорость | 80 км/ч |
| Ускорение при пуске | 1,2 м/с² |
| Ускорение при торможении | 1,1 м/с² |
| Электрическое торможение | реостатное |
| Система тяги | реостатно-контакторная |
| Тормозная система | пневматическая системы Вестингауза, электрическая |
| Эксплуатация | |
| Страны эксплуатации |
|
| Метрополитен |
|
| Линии |
Россия, Москва:
М2 |
| Депо |
Россия, Москва: |
| Годы эксплуатации | с 1977 года |
81-717/714 «Номерной»[к 3] — тип электровагонов метрополитена, разработанный и выпускавшийся Мытищинским машиностроительным заводом (с 1976 года) и Ленинградским вагоностроительным заводом им. И. Е. Егорова (с 1980 по 1995 год).
Вагоны 81-717 — головные, а 81-714 промежуточные; все вагоны являются моторными. Известны как 81-я серия (так их, в частности, официально называет Петербургский метрополитен[1]), однако данное наименование в корне некорректно, ведь цифровой индекс «81» используется не только в обозначении всех вагонов метрополитена, произведённых на территории РФ (в Праге, Баку и Тбилиси после капитально-восстановительного ремонта в 1996—2011 гг. — 81-71М и 81-717М), но и сама модель по счёту в принципе не является «81-м произведённым типом вагона» (начиная с первого выпущенного Мытищинским машиностроительным заводом вагона типа «А»). Наиболее же данные модели вагонов известны под прозвищем «Номерно́й» (причём теперь оно упоминается в официальных источниках, ранее использовалось только цифровое обозначение[2][3]), так как это единственная модель из в принципе когда-либо существовавших и использовавшихся в СССР (кроме 81-718/719), существующих и использующихся в городах стран постсоветского пространства (кроме Алма-Аты[к 4] и Киева[к 5]), а также в городах стран её экспортных поставок — Венгрии, Польше, Болгарии и Чехии — столицах — Будапеште, Варшаве, Софии и Праги, находящаяся и находившаяся в пассажирской эксплуатации, не имеющая никакого буквенного обозначения типа, лишь цифровое наименование. Это, в свою очередь, связано с тем, что данный тип вагонов — 81-717/714 — изначально предполагался как временный — для тестирования части оборудования, которое позже собирались использовать на планирующихся быть более совершенными для того времени моделях — вагонах типов 81-715.1/716.1 «И» и их модификациях. Однако в связи с тем, что их производство затягивалось, а на испытаниях уже выпущенных выявлялось множество недостатков, да ещё и в то время, когда в советских метрополитенах стояла проблема острой нехватки подвижного состава, именно «Номерные» и было решено запустить в массовое производство, что в итоге сделало их мировыми лидерами по этому показателю[4][5].
От предыдущих моделей отличаются не только экстерьером кабины головного вагона и более мощными двигателями, но и отсутствием кабин машиниста в промежуточных вагонах, а также более широким применением электроники в приборах управления. Конструктивно представляют собой промежуточное звено между вагонами типов «Е» и «И» и имеют множество различных модификаций.
В метрополитенах ряда городов стран СНГ и Евросоюза вагоны модели 81-717/714 и их модификации выполняют основной объём перевозок, однако начиная с 2010-х годов ведётся их поэтапная замена на вагоны нового поколения. В общей сложности, с момента начала эксплуатации поезда этого типа курсировали по большинству линий метрополитенов стран бывшего СССР (кроме Солнцевской, Некрасовской в Москве, Кировско-Выборгской в Санкт-Петербурге, единственных линий в Казани и Алматы и Холодногорско-Заводской в Харькове), а также по 9 из 18 линий метрополитенов стран восточной части Евросоюза (по всем линиям в Праге, двум из четырëх в Будапеште, трëм из четырëх в Софии и одной из двух в Варшаве).
Предыстория

К 1970-м годам основу вагонного парка метрополитенов в ряде городов Советского Союза и некоторых других стран Варшавского договора составляли вагоны типа Е и их разновидности (Еж, Ем, Ечс и другие). Эти вагоны выпускались советским Мытищинским машиностроительным заводом с 1959 года (серийное производство с 1963 года), и так же, как их предшественники, имели стальные кузова и реостатно-контакторную систему управления (электрооборудование поставлял завод «Динамо»). Ускорение при пуске осталось практически без изменений, так как была облегчена конструкция кузова (его сделали цельнонесущим, как, например, на электропоезде ЭР1) и одновременно снижена мощность тяговых двигателей (с целью снижения энергопотребления)[6]. Реостатно-контакторная система имеет ограничения по быстродействию, что, в сочетании с недостаточной мощностью двигателей, не позволяло поднять пусковое ускорение, а, следовательно, и техническую скорость, что, в свою очередь, ограничивало провозную способность на линиях метрополитена с большим пассажиропотоком. Решений в данном случае было несколько, в частности:
- повысить мощность тяговых двигателей;
- применить импульсное регулирование напряжения и возбуждения тяговых двигателей;
- снизить вес кузова за счёт более лёгких материалов.
Здесь применялось импульсное регулирование. Оно было установлено уже на вагонах разновидности Ечс. В 1972 году были установлены тиристорные импульсные преобразователи для регулирования возбуждения тяговых двигателей при пуске и реостатном торможении. В дальнейшем эти преобразователи были улучшены (устранено влияние токов пульсаций на систему АРС) и применены на вагонах разновидности Еж3 (1973—1975 годы). Импульсное регулирование напряжения на зажимах тяговых двигателей было применено на вагонах разновидности Еи (1968—1973 годы). Таким образом был получен небольшой опыт применения силовой электронной аппаратуры на вагонах метро у советских заводов[6]. Для снижения массы кузова за счёт применения новых материалов, то здесь было решено применить алюминий. Разработка нового более мощного тягового двигателя не представляла серьёзных затруднений.
В 1973 году на Мытищинском машиностроительном заводе под руководством главного конструктора завода А. Г. Акимова были разработаны, а к концу года построены 3 опытных вагона, из которых составили экспериментальный поезд. Эти вагоны, которые получили обозначение типа И (заводское обозначение головного вагона — 81-715, промежуточного — 81-716) и значительно отличались от предыдущих моделей. Так, часовая мощность тяговых двигателей вагона типа И составляла 90 кВт (мощность двигателей вагонов Е — 72 кВт), а позже была повышена до 100 кВт. Кузова вагонов были изготовлены из алюминиевых сплавов, что позволило снизить вес тары вагона на 2 тонны. Регулирование напряжения на зажимах тяговых двигателей, а также регулирование возбуждения осуществлялось с помощью тиристорных преобразователей. Всё это вместе должно было повысить пусковое ускорение поезда, а заодно и повысить технические скорости обращения поездов. В вагонах были применены принудительная вентиляция (что позволило убрать черпаки с крыши) и люминесцентное освещение салонов, в рессорном подвешивании применены пневморессоры, а в промежуточных вагонах были ликвидированы кабины машиниста. Последнее, в сочетании с выпуклыми стенками кузова (для более полного использования габарита тоннелей), позволило значительно увеличить площадь пассажирского салона вагона, а следовательно, и увеличить пассажировместимость поезда[7].
Вагоны типа И по сравнению с предыдущими типами имели целый ряд преимуществ: бо́льшая пассажировместимость, более полное использование габарита, более интенсивный разгон. Однако заводы, выпускающие вагоны метро, были не готовы в короткий срок наладить выпуск алюминиевых кузовов, к тому же сама система импульсного регулирования напряжения требовала доводки. В результате было решено выпустить опытную партию вагонов, которые бы являлись переходным звеном от типа Еж3 к типу И[7].
История выпуска и эксплуатации
81-717/714 (базовая модель)

В начале 1970-х годов на заводе уже был разработан проект промежуточного вагона без кабины машиниста (заводское обозначение 81-714), который конструктивно представлял собой улучшенный вариант так и не построенного вагона типа Еж2. Также завод разработал и проект головного вагона, которому присвоили заводское обозначение 81-717. По этим проектам в первой половине 1976 года Мытищинский машиностроительный завод выпустил 6 опытных вагонов: 3 головных (№ 5846, 5854, 5855) и 3 промежуточных (№ 5837, 5867, 5868)[8].
Кузов вагонов 81-717 и 81-714 представлял собой модернизированный кузов последних модификаций вагонов типа Е, поэтому имел такие же основные размеры. По большинству оборудования (мотор-компрессоры, пневматическое оборудование, аккумуляторные батареи) и оформлению пассажирских салонов новые вагоны были схожи с вагонами типа Еж3. Также у них схожая (за некоторыми исключениями) схема работы силовых электрических цепей (в том числе и наличие реостатного торможения)[8]. Внешние изменения заключались прежде всего в том, что из промежуточных вагонов были убраны кабины машиниста, существовавшие в каждом вагоне всех предыдущих типов, а на лобовой части головных вагонов была убрана торцевая переходная дверь. Вместо неё на лобовой части головных вагонов стали устанавливать большое ветровое стекло, по обеим сторонам которого размещалась пара окон поменьше. При этом сиденье машиниста, а также органы управления поездом переместились из правой части кабины в середину перед большим ветровым окном. Как и на вагонах типа И, на 81-717/714 были установлены тяговые двигатели ДК-117Б часовой мощностью 110 кВт (ДК-116 вагонов Е — 72 кВт), для питания цепей управления и заряда аккумуляторных батарей стал использоваться электронный блок питания собственных нужд (БПСН), а освещение в салонах осуществляется с помощью люминесцентных ламп. В связи с применением более мощных двигателей, увеличением массы тары вагонов, а также повышением загрузки промежуточного вагона были подкачены усиленные вагонные тележки с безмоментной системой подвески тяговых двигателей, увеличенным диаметром осей колёсных пар и с более жёстким рессорным подвешиванием[8].
В отличие от предыдущих моделей вагонов метро, вагоны 81-717 и 81-714 не получили буквенного обозначения типа, что было связано прежде всего с тем, что они были созданы как тестовые, для испытания части оборудования, которое позже предполагалось применить на вагонах типа И. Однако задержка с освоением выпуска алюминиевых кузовов и пусковых импульсных регуляторов, да ещё в то время, когда советские метрополитены остро нуждались в новых типах вагонов с более высокой выходной мощностью, привела к тому, что было решено именно эти две опытные модели вагонов метро запустить в серийное производство. Это было осуществлено в середине 1978 года на Мытищинском машиностроительном заводе. Вагоны 81-717 Мытищинского машиностроительного завода стали получать нумерацию от № 9050, 81-714 — от № 9350. Так как мощностей одного завода не хватало, то с января 1980 года на Ленинградском вагоностроительном заводе им. И. Е. Егорова начался выпуск вагонов модели 81-717 (с № 8400), а с августа того же года вагонов 81-714 (с № 7202). При этом Ленинградский вагоностроительный завод внёс ряд изменений в чертежи вагонов, что позволило использовать для производства элементы модернизированного кузова вагонов Ем-508Т, Ема-502 и Ем-501. Для ускорения производства вагонов метрополитена с середины 1980 года на Калининском вагоностроительном заводе начался выпуск тележек для вагонов 81-717, а с 1985 года и для вагонов 81-714[8].
Данный тип до сих пор остаётся наиболее распространённым в Узбекистане и на Украине[9][10].
Экспортные модификации
| 81-717.1/714.1 | |
|---|---|
| | |
| Производство | |
| Годы постройки | 1977—1990 |
| Страна постройки |
|
| Завод | ММЗ |
| Составов построено | 101 |
| Вагонов построено |
81-717.1 - 204; 81-714.1 - 303 |
| Нумерация |
81-717.1: 2101—2199, 2301—2399, 2501—2504; 81-714.1: 2201—2299, 2401—2499, 2601—2699, 2801—2803 |
| Технические данные | |
| Число вагонов в составе | 5 |
| Количество дверей | 2×4 |
| Длина вагона | 19 206 мм |
| Ширина | 2670 мм |
| Высота | 3650 мм |
| Диаметр колёс | 780 мм |
| Ширина колеи | 1435 мм |
| Эксплуатация | |
| Страны эксплуатации |
|
| Метрополитен |
|
| Линии | A (до 2006 г.), B (до 2009 г.), C (до 2003 г.) |
| Депо | Zličín, Hostivař, Kačerov |
| Годы эксплуатации | 1978—2009 |
81-717.1/714.1
После испытаний в 1976—1977 годах опытных вагонов типов 81-717 и 81-714 было решено наладить их серийное производство. Новыми вагонами заинтересовалось руководство Пражского метрополитена, открытие новой линии которого было запланировано на 1978 год. Поэтому в 1977 году на Мытищинском машиностроительном заводе были разработаны и пошли в серийное производство модели новых вагонов метро для Праги, получившие обозначения 81-717.1 (головные вагоны) и 81-714.1 (промежуточные). К середине 1978 года был выполнен заказ на изготовление 68 вагонов 81-717.1/714.1 и только с июня 1978 года ММЗ приступил к выпуску метровагонов 81-717/714 для Москвы. Позже последовали новые поставки вагонов метро в Чехословакию, всего в Мытищах с 1978 по 1990 год было выпущено 204 вагона типа 81-717.1 и 303 вагона типа 81-714.1.
С 2000 по 2011 год Пражский метрополитен проводил комплексную модернизацию вагонов 81-717.1/714.1 с заменой оборудования, улучшением экстерьера и интерьера, а также сменой бортовых номеров. Модернизированные вагоны получили обозначение 81-71М.
По состоянию на начало 2005 года в Праге было списано 4 электровагона типа 81-717.1 № 2102, 2107, 2133, 2325 и один вагон типа 81-714.1 № 2490. Головной вагон № 2129 отдан фирме Škoda Plzen для испытаний, на базе метровагона № 2148 фирмой Siemens создан экспериментальный вагон метро на IGBT-транзисторах. Первым вагоном нового музейного состава стал электровагон типа 81-714.1 № 2213.
6 ноября 2003 года эксплуатация вагонов 81-717.1/714.1 завершилась на линии «С», в 2006 году — на линии «А», а 2 июля 2009 года эксплуатация вагонов 81-717.1/714.1 на линии «В», а тем самым и в системе Пражского метрополитена окончательно завершилась. Любопытно, что прощальная поездка состава была омрачена инцидентом: когда поезд следовал до станции «Зличин», на станции «Лужины» трое подростков выплеснули на въезжающий на станцию поезд три банки краски. Подростки с места происшествия скрылись. Из-за краски, залившей окна кабины машиниста, поезд не смог самостоятельно продолжить движение и был отправлен в депо.
Был сохранён полноценный музейный состав 81-717.1/714.1 из вагонов 2159—2213—2429—2637—2504, который выезжает на линию по праздникам и в юбилеи Пражского метрополитена. Ещё один головной вагон 81-717.1 № 2374 был отправлен в музей городского общественного транспорта Стршешовице 18 октября 2010 года. Вагоны 81-717.1 № 2395 и № 2501 были выкуплены проектом «Крконошское метро»[11] и отправлены на остравский завод Витковице «для исследования разных типов тяговых приводов» на предполагавшейся линии до Пеци-под-Снежкоу. Использовались в Витковицком промышленном ареале для разлекательных проездок публики.
-
Поезд 81-717.1/81-714.1 в депо
-
Прибытие поезда на станцию
81-71M
В 1994 году руководством Пражского метрополитена было принято решение о модернизации уже имеющихся вагонов 81-717.1/714.1 ввиду их физического и морального устаревания и недостатка средств на закупку новых поездов. В 1994 году первый пятивагонный состав был отправлен на завод Škoda в Пльзень. Основной задачей модернизации было продление срока эксплуатации минимум на 15 лет, замена устаревшего оборудования, повышение надёжности эксплуатации и уменьшение энергопотребления[12].
Первый модернизированный вагон прибыл из Пльзеня в Пражское электродепо «Kačerov» 1 мая 1996 года и после испытаний поступил в эксплуатацию на линию C, а вскоре была запущена серийная модернизация поездов[12].
На основе вагонов 81-717.1/714.1 были созданы три типа вагонов 81-71M:
- 2Mt — головной моторный вагон, оснащён аккумуляторами и предохранителями;
- 3Mt — промежуточный моторный вагон, оснащён аккумуляторными батареями;
- 4Mt — промежуточный моторный вагон, оснащён генераторами и компрессорами.
Поезда 81-71M стали формироваться в пятивагонной составности по схеме 2 Mt+3 Mt+4 Mt+3 Mt+2 Mt.
Основным внешним отличием новых вагонов стала новая маска кабины машиниста с лобовым стеклом во всю ширину вагона и прямоугольными фарами (автор — художник Франтишек Пеликан). В кабине машиниста был установлен новый пульт управления, который стал размещаться по центру вагона. Салон также подвергся серьёзному обновлению — вместо традиционно расположенных вдоль прохода боковых диванов, ориентированных к центральному проходу поперёк направления движения, стали устанавливаться двухместные и одноместные сиденья с мягкими вставками фиолетового цвета, по большей части ориентированные вдоль направления движения, часть сидений сохранила расположение лицом к центральному проходу. В салоне были установлены новые поручни, две интегрированные в потолок линии светильников, спинки для инвалидных колясок. В центре потолка были размещены информационные табло типа бегущая строка, отображающие названия текущей или следующей станции и прочие объявления. Диапазон нумерации у головных вагонов сменился с 21**, 23**, 25** на 31**, 33**, 35**, у промежуточных с 22**, 24**, 26**, 28**, на 32**, 34**, 36** и 38**.
Полученный при модернизации поездов опыт был использован корпорацией "Шкода" при проектировании и производстве уже собственных поездов следующего поколения - "Славутич", "Казань" (оба - совместно с петербургским "Вагонмашем"), "НеВа" (совместно с Кировским заводом) и "Варсовия". В 2005 году на базе вагонов 81-71M построен опытный вагон Škoda 6Mt.
-
Поезда 81-71M на станции
-
Кабина машиниста
-
Салон головного вагона
81-717.2/714.2
| 81-717.2/714.2 81-717.2М/714.2М | |
|---|---|
| | |
| Производство | |
| Годы постройки | 1979—1991, 1998 |
| Страна постройки |
|
| Завод | ММЗ (Метровагонмаш) |
| Составов построено |
81-717.2/714.2 - 32; 81-717.2М/714.2М - 2 |
| Вагонов построено |
81-717.2 - 63; 81-714.2 - 123; 81-717.2М - 4; 81-714.2М - 6 |
| Нумерация |
81-717.2: 300—362; 81-717.2М: 363—366; 81-714.2: 3000—3122; 81-714.2М: 3123—3128 |
| Технические данные | |
| Тип токосъёма | нижний боковой контактный рельс, токосъём сверху |
| Типы вагонов | Мг/Мп[к 6] |
| Число вагонов в составе | 5—6 |
| Количество дверей | 2×4 |
| Длина вагона | 19 206 мм |
| Ширина | 2670 мм |
| Высота | 3650 мм |
| Диаметр колёс | 780 мм |
| Ширина колеи | 1435 мм |
| Эксплуатация | |
| Страны эксплуатации |
|
| Метрополитен |
|
| Линии |
|
| Депо | Фехер, Кёер |
| Годы эксплуатации | 1979—2018 |
Представляет собой модификацию базовой модели 81-717/714 для Венгрии. Рассчитан на уменьшенную ширину колеи. Также головной вагон имеет всего две фары. В 1979 году была начата поставка вагонов 81-717.2 и 81-714.2 для работы в Будапештском метрополитене. Через несколько лет, 27 октября 1983 года, в Будапешт был передан 300-й вагон советского производства. Окраска у них в большинстве случаев однообразна, почти все российские вагоны Будапешта покрашены бледно-голубой краской, и по центру проходит чёрная прямая полоса. Более тёмный окрас имеют лишь вагоны, поставленные в Венгрию в 1990-х годах. На ранние поезда из вагонов 81-717.2 ставилось всего по две фары, которые аналогичны тем, что в Мытищах ставили на вагоны Ев и Ечс.
Весной 1987 года на Мытищинский вагоностроительный завод приезжал главный инженер метрополитена Будапешта для уточнения технических условий[значимость факта?]. Был заключён договор о поставке в 1988 году 30 вагонов — 10 головных и 20 промежуточных.
В 1998 году на базе вагонов типа 81-717.5М/81-714.5М были собраны и поставлены в Будапешт два 5-вагонных состава модификации 81-717.2М/81-714.2М.
В апреле 2018 года последний поезд 81-717.2/714.2 был снят с эксплуатации, и отправлен на ОАО «Метровагонмаш» на модернизацию в тип 81-717.2К/714.2К.
-
Поезда 81-717.2/714.2 в депо
-
Кабина 81-717.2 крупным планом
-
Поезда 81-717.2/714.2 и Ев на линии
-
Поезд 81-717.2М/714.2М
-
Метровагон типа 81-717.2 № 343 перед утилизацией
-
Метровагон типа 81-714.2 № 3080 перед утилизацией
81-717.2К/714.2К
| 81-717.2К/714.2К | |
|---|---|
| | |
| Производство | |
| Годы постройки | 2016—2018 |
| Страна постройки |
|
| Производитель | Трансмашхолдинг |
| Завод | Метровагонмаш |
| Составов построено | 37 |
| Вагонов построено |
81-717.2К — 74; 81-714.2К — 148 |
| Нумерация |
81-717.2К: 600—673 81-714.2К: 6000—6147 |
| Технические данные | |
| Ширина колеи | 1435 мм |
| Эксплуатация | |
| Страны эксплуатации |
|
| Метрополитен |
|
| Линии |
|
| Депо | Кёер |
| Годы эксплуатации | с 2017 года |
В августе 2015 года ОАО «Метровагонмаш» и венгерская компания BKV, управляющая столичным метрополитеном, заключили контракт на капитальный ремонт и модернизацию устаревшего подвижного состава Будапештского метрополитена, с продлением срока службы вагонов на 30 лет[13]. Контракт был заключён после того, как 8 июля 2015 года ОАО «Метровагонмаш» был объявлен победителем тендера на эти работы. В этом тендере, объявленном в ноябре 2014 года, также участвовали компании из Франции (Alstom Transport SA), Испании (Construcciones y Auxiliar de Ferrocarriles S.A. (CAF)), Чехии (Škoda Transportation a.s.), Эстонии (Skinest Rail a.s.), а также по одной компании из Румынии и самой Венгрии[14].
В результате с 2016 года на ОАО «Метровагонмаш» для Будапештского метрополитена проводится глубокая модернизация старых вагонов типа Ев3, 81-717.2/714.2 и 81-717.2М/714.2М в тип 81-717.2К/714.2К, основанный на модификации 81-717.6/714.6 для метрополитенов России с применением более современного оборудования и обновлением кузова. В ходе модернизации вагоны получают новую удлинённую лобовую часть, интерьер кабины и салонов, электрооборудование и современные системы управления и принудительную вентиляцию. При выпуске вагоны получили молочно-белую окраску с чёрной полосой на уровне окон.
Изначально за новыми вагонами сохранялась прежняя нумерация — 200-е номера для бывших вагонов Ев3 (как головных, так и промежуточных), 300-е для бывших 81-717.2 (головные) и 3000-е для 81-714.2 (промежуточные). Однако вскоре уже в Будапеште все модернизированные вагоны стали получать новую нумерацию: 81-717.2К — от № 600, 81-714.2К — от № 6000.
Основным отличием вагонов 81-717.2К и 81-714.2К от старой модификации стала установка новой стеклопластиковой маски с плавными обводами на лобовой части головных вагонов, аналогичных тем, которые устанавливаются на 81-717.6. В левой части кабины находится аварийная эвакуационная дверь со складной лестницей для возможности выхода пассажиров на пути через кабину машиниста при нештатных ситуациях. Под лобовым стеклом находятся две пары светодиодных фар, одна пара расположена в теле откидной аварийной двери.
Кабина машиниста оборудуется новым пультом, креслом и аппаратурой и по площади вдвое превышает кабину первоначальной модели. По сравнению с моделью 81-717.6/714.6 устанавливается новый пульт управления с цифровыми мониторами, по исполнению схожий с пультом управления вагонов 81-760/761, хотя и существенно отличающийся от последнего. Пульт разработан с учётом требований эргономики и имеет серый цвет. В зоне оперативного доступа расположены часто используемые органы управления, включая контроллер машиниста с четырьмя ходовыми, нейтральным и тремя тормозными положениями рукоятки, кнопки управления системами вагона, радиостанция, пневматический тормозной кран. В зоне обзора расположены многофункциональный дисплей цифрового информационного комплекса и монитор микропроцессорной системы управления, диагностики и безопасности движения поезда. Кабина оборудована системой кондиционирования, вентиляции и отопления.
В конце марта 2017 года состоялась торжественная церемония по случаю ввода в эксплуатацию первого состава 81-717.2К/714.2К в присутствии генерального директора ОАО «Метровагонмаш», мэра Будапешта и представителей BKV[13].
С 3 апреля 2018 года на линии M3 Будапештского метрополитена остались в эксплуатации только составы 81-717.2К/81-714.2К (то есть они полностью вытеснили на ней старые вагоны)[14].
Всего, согласно контракту, ОАО «Метровагонмаш» обязался обслужить таким образом 222 вагона (185 единиц модели 81-717.2/714.2, 10 единиц модели 81-717.2М/714.2М и 27 единиц модели Ев3). Иначе говоря, 37 составов до конца мая 2018 года[13][14]. В соответствии с графиком, последний состав 81-717.2К/714.2К был введён в эксплуатацию в июне 2018 года[14].
Впоследствии в местной прессе возник скандал, поскольку выяснилось, что пришедшие вагоны абсолютно новые, а не старые, прошедшие ремонт[15][16] — по условиям фактического технического состояния поезда, перегнанные на "Метровагонмаш", были признаны не подлежащими модернизацией и утилизированы, а по тому же проекту модернизации были изготовлены новые поезда[17].
81-717.3/714.3
| 81-717.3/714.3 | |
|---|---|
| | |
| Производство | |
| Годы постройки | 1989—1990, 2007 |
| Страна постройки |
|
| Производитель | Трансмашхолдинг (в 2007) |
| Завод | ММЗ (Метровагонмаш) |
| Вагонов построено |
81-717.3 — 4; 81-714.3 — 6; 81-714.3М — 25 |
| Нумерация |
81-717.3: 001—004; 81-714.3: 400—405, 430-433; 81-714.3М:434—459 |
| Технические данные | |
| Ширина колеи | 1435 мм |
| Эксплуатация | |
| Страны эксплуатации |
|
| Метрополитен |
|
| Линии |
|
| Депо | Кабаты |
| Годы эксплуатации | с 1995 года |
Открытие первой линии метро в Варшаве было запланировано на 1990 год, однако впоследствии сроки открытия были перенесены на апрель 1995 года. Поэтому Варшавский метрополитен получил свои первые вагоны метро задолго до официального пуска первого поезда. В 1989—1990 годах в столицу Польши поступило 10 вагонов 81-717.3/714.3 производства Мытищинского машиностроительного завода. Это были четыре головных вагона модели 81-717.3 (№ 001—004) и шесть промежуточных типа 81-714.3 (№ 400—405), являвшихся аналогами вагонов 81-717.5/714.5.
В 1994 году, когда дата открытия первой очереди Варшавского метро была определена окончательно, петербургское АО «Вагонмаш» поставило туда 24 головных вагонов серии 81-572 (№ 005—028) и 8 промежуточных модели 81-573 (№ 406—413) (аналоги 81-717.5М/714.5М).
Следующая поставка российских вагонов в Варшаву была осуществлена в 1997 году. Это были головные и промежуточные вагоны АО «Вагонмаш» соответственно с индексами 81-572.1 (№ 029—030) и 81-573.1 (№ 414—429).
С 1997 года по 2007 год вместо российских поездов, Варшавский метрополитен приобретал составы серии «Metropolis» производства Alstom, собиравшихся на территории Польши в городе Хожуве.
В 2006 году, в связи с переходом Варшавского метрополитена на эксплуатацию 6-вагонных поездов, были заказаны две партии дополнительных промежуточных вагонов на ОАО «Метровагонмаш»: 81-714.3. Первая партия из 14 вагонов 81-714.3 прибыла в Варшаву к концу I квартала 2007 года. Вторая партия из 16 вагонов 81-714.3 прибыла в IV квартале 2007 года.
В 2007 году на заводе ЗАО «Вагонмаш» были заказаны пять, а в 2009 году — два шестивагонных состава модели 81-572.2/81-573.2 (на базе 81-540.2/541.2). Основное отличие от стандартных «номерных» у данного типа вагонов заключается в наличии принудительной вентиляции пассажирского салона, а также в более комфортных пассажирских сиденьях.
С 2023 года ведётся передача поездов этого типа в Киевский метрополитен.
81-717.4/714.4
| 81-717.4/714.4 | |
|---|---|
| | |
| Производство | |
| Годы постройки | 1989—1990 |
| Страна постройки |
|
| Завод | ММЗ |
| Составов построено | 12 |
| Вагонов построено |
81−717.4 — 24; 81-714.4 — 24 |
| Нумерация |
81-717.4: 1001—1024; 81-714.4: 5001—5024 |
| Технические данные | |
| Число вагонов в составе | 4 |
| Количество дверей | 2×4 |
| Длина вагона | 19 206 мм |
| Ширина | 2670 мм |
| Высота | 3650 мм |
| Ширина колеи | 1435 мм |
| Эксплуатация | |
| Страны эксплуатации |
|
| Метрополитен |
|
| Линии | Первая линия, Вторая линия |
| Депо | Обеля |
| Годы эксплуатации | с 1998 года |
Первая очередь метрополитена столицы Болгарии, Софии строилась около 20 лет. Так же, как и в случае с Варшавой, электровагоны типов 81-717.4/714.4, предназначенные для Софийского метрополитена, были изготовлены на Мытищинском машиностроительном заводе задолго до открытия «подземки», а именно в 1989 и 1990 годах. Всего для Софии на ММЗ было выпущено 24 головных и 24 промежуточных вагона с бортовыми номерами 1001—1024 и 5001—5024 соответственно. Работать на линии они начали только в январе 1998 года.
-
Поезд 81-717.4/714.4 в сером окрасе
-
Бок поезда 81-717.4/714.4 в голубом окрасе
81-717.4/714.4 (обновление)
| 81-717.4/714.4 | |
|---|---|
| | |
| Производство | |
| Годы постройки | 2019 - 2022 |
| Страна постройки |
|
| Производитель | Трансмашхолдинг |
| Завод | Метровагонмаш |
| Составов построено | 9 (на май 2022) |
| Вагонов построено |
81-717.4 — 18; 81-714.4 — 18 (на май 2022) |
| Технические данные | |
| Число вагонов в составе | 4 |
| Количество дверей | 2×4 |
| Длина вагона | 19 206 мм |
| Ширина | 2670 мм |
| Высота | 3650 мм |
| Ширина колеи | 1435 мм |
| Эксплуатация | |
| Страны эксплуатации |
|
| Метрополитен |
|
| Линии | Первая линия, Вторая линия |
| Депо | Обеля |
| Годы эксплуатации | с 2020 года |
В декабре 2018 года подписан контракт с Метровагонмашем на проведение работ по капитальному ремонту и модернизации восьми вагонов метро 81-717.4/714.4 (для двух четырёхвагонных поездов); при этом контракт предусматривает опцион на модернизацию ещё 40 вагонов того же типа в ближайшие годы. В феврале 2020 года все восемь вагонов отправлены в Софийский метрополитен[18]. В марте того же года, используя вышеупомянутый опцион с учётом положительных результатов эксплуатации первых доработанных вагонов, было подписано дополнительное соглашение на переоборудование ещё 40 вагонов. Работы по дополнительному соглашению должны пройти в три этапа: в рамках первого и второго — модернизация трёх четырёхвагонных состава (24 вагона), в рамках третьего — четыре четырёхвагонных состава (16 вагонов). Длительность каждого этапа определена в 12 месяцев[19]. К моменту начала СВО России на Украине и ввода ЕС антироссийских санкций, приведших к разрыву отношений между Метровагонмашем и Софийским метрополитеном, было модернизировано всего 9 поездов; от дальнейших закупок Софийский метрополитен отказался в пользу нового аукциона для европейских производителей.
Модернизированные вагоны для Софии унифицированы по конструкции с вагонами 81-717.2К/714.2К для Будапештского метрополитена: так, заменены кабина машиниста и крыша на аналогичные с вагонами моделей 81-717.6/714.6, а внутренняя отделка и оборудование заменены на новые; установлены новые асинхронные тяговые двигатели и преобразователи. Такая доработка позволяет продлить срок службы вагонов на 15 лет, а также сократить расходы на эксплуатационное обслуживание и техническую поддержку вагонов. Вагоны снабжены новыми межвагонными сцепными устройствами; при этом имеется возможность их механической и пневматической сцепки с вагонами 81-717.4/714.4 (не прошедшими доработку) и имеющимися там же модификациями вагонов серии 81-740/741. Вагоны оснащены противоскользящей и противозаносной защитой колёсных пар. Вместо имеющихся на обычных вагонах материалов отделки салонов применены негорючие, соответствующие современным требованиям к безопасности. Вагоны оснащены датчиками дыма и температуры, информационными LED-дисплеями. В салоне головных вагонов оборудованы специальные места для инвалидных и детских колясок. В новой кабине машиниста установлен новый пульт управления, аналогичный таковому у вагонов 81-717.2К/714.2К. В салоне и кабине машиниста установлены травмобезопасные стёкла[18]. При выпуске с завода вагоны получают окраску молочно-белого цвета с зелёной или малиновой полосой на уровне окон, подобную окраске вагонов для Будапешта, при этом появилась цветная окантовка у фар[20].
В отличие от будапештских вагонов, несмотря на их конструкционную схожесть (асинхронный тяговый привод) и особо ничем не отличающийся внешний вид, новые софийские поезда не имеют литеры «К» в обозначении. Оно осталось прежним — 81-717.4/714.4[20].
Модификации для городов бывшего СССР
81-717.5/714.5
| 81-717.5/714.5 | |
|---|---|
| | |
| Производство | |
| Годы постройки | 1988—2007 |
| Страна постройки |
|
| Завод | ММЗ (Метровагонмаш), ЛВЗ им. Егорова (Вагонмаш) |
| Вагонов построено |
81-717.5 - 585; 81-714.5 - 1008; |
| Нумерация |
81-717.5 0129, 0154—0344, 8868—8921, 8923—8928, 8930—8999, 10000—10035, 10038—10094, 10097—10211, 10217—10220, 10223—10224, 10227—10246, 10249—10251, 10258, 10259, 10261, 10262, 10267—10279, 10311—10316, 10323—10331 81-714.5 0497—0918, 8190—8276, 8278—8399, 11000—11026, 11029—11155, 11158—11253, 11256—11341, 11348—11382, 11390—11399, 11404, 11407—11426, 11429—11433, 11437—11440, 11453—11474, 11483—11495, 11508—11511, 11552—11557 |
| Технические данные | |
| Число вагонов в составе | 2—8 |
| Количество дверей | 2×4 |
| Длина вагона | 19 206 мм |
| Ширина | 2670 мм |
| Высота | 3650 мм |
| Ширина колеи | 1520 мм |
| Тип ТЭД | ДК-117ДМ |
| Эксплуатация | |
| Страны эксплуатации |
|
| Метрополитен | |
| Линии |
Россия, Москва: |
| Депо |
Россия, Москва: |
| Годы эксплуатации | с 1988 года |
В 1987 году в целях дальнейшего повышения надёжности моторвагонного подвижного состава на Московском метрополитене проводились эксплуатационные испытания вагонов, оборудованных блоками питания собственных нужд (БПСН) с частотой напряжения 150 Гц, электроконтактными коробками междувагонного соединения, выполненными на базе штепсельных разъёмов 7Р-52. Такие усовершенствования дали хороший эффект, и начиная с № 0154 и заканчивая на № 0345 все вагоны 81-717 Мытищинского завода начали выпускаться с этой комплектацией, получив, как и опытный вагон № 0129, обозначение 81-717.5. Соответственно, модифицированные вагоны 81-714 получили обозначение 81-714.5. На вагонах 81-717.5 и 81-714.5 устанавливались тележки повышенной надёжности, пожаробезопасное электрооборудование, внедрена система сигнализации и пожаротушения.
В 1993 году выпуск данных вагонов на «Метровагонмаше» прекратился в связи с переходом на модель 81-717.5М/714.5М. В Петербурге на ЗАО «Вагонмаш» выпуск этих вагонов после этого продолжился, на их базе в 1997 году были созданы вагоны типа 81-540/541, после создания которых поставки вагонов 81-717.5/714.5 в Санкт-Петербург прекратились. Вплоть до 2007 года «Вагонмаш» изготавливал эти вагоны для других городов, после чего стал поставлять в другие города модификации 81-540/541.
-
Прибытие поезда из вагонов 81-717.5/714.5 на станцию «Шаболовская» (Москва)
-
81-717.5/714.5 сбоку на станции «Площадь Победы» (Минск)
-
Вид изнутри
81-717.5М/714.5М, 81-717.5Б/714.5Б, 81-717.5П/81-714.5П, 81-717.5Н/714.5Н и 81-717.5К/81-714.5К
| 81-717.5М/714.5М 81-717.5Б/714.5Б 81-717.5П/714.5П 81-717.5Н/714.5Н 81-717.5К/81-714.5К | |
|---|---|
| | |
| Производство | |
| Годы постройки | 1993—2014 |
| Страна постройки |
|
| Производитель | Трансмашхолдинг (с 2002) |
| Завод | ММЗ (Метровагонмаш), ОЭВРЗ |
| Вагонов построено |
81-717.5М: 364 81-714.5М: 1002 81-717.5Б: 66 81-714.5Б: 101 81-717.5П: 56 81-714.5П: 118 81-717.5Н: 2 81-714.5Н: 2 81-717.5К: 16 81-714.5К: 24 |
| Нумерация |
81-717.5М/Б: 0345—0400, 1757-1160, 2500—2836, 2839—2840, 2843—2872, 2918—2921, 2929-2932; 81-714.5М/Б: 0919—0999, 1001—1945, 1951—1982, 1985—1999, 3000—3011, 3014—3034, 3138—3158, 3170-3172, 23586—23589, 23591—23591; 81-717.5П: 1101—1156 ; 81-714.5П: 0107—0224; 81-717.5Н: 2841, 2842 ; 81-714.5Н: 1983, 1984 81-717.5К: 2897—2912 ; 81-714.5К: 3109—3132 |
| Технические данные | |
| Число вагонов в составе | 3—8 |
| Количество дверей | 2×4 |
| Длина вагона | 19 206 мм |
| Ширина | 2670 мм |
| Высота | 3650 мм |
| Ширина колеи | 1520 мм |
| Тип ТЭД | ДК-117ДМ |
| Эксплуатация | |
| Страны эксплуатации |
|
| Метрополитен |
|
| Линии |
Россия, Москва: |
| Депо |
Россия, Москва: |
| Годы эксплуатации | с 1993 года |
В 1993 году Мытищинский машиностроительный завод перешёл на выпуск метровагонов типов 81-717.5 и 81-714.5, подвергшихся очередной модернизации. Для различия модернизированных вагонов от вагонов более раннего выпуска были введены новые обозначения модификаций вагонов. Головные вагоны метро, выпускаемые с 1993 года, получили заводские обозначения 81-717.5М, промежуточные вагоны — 81-714.5М. Активные поставки вагонов в Москву начались в 1993 году — они заменяли более старый подвижной состав, а также закупались для пуска новых линий. В 1997—2010 годах вагоны 81-717.5М/714.5М активно поставлялись, главным образом в ТЧ-1 (для замены вагонов типа Е, Еж, Еж1, Ем-508, Ем-509) и ТЧ-15 (для новых линий и в дополнение). Последние вагоны были переданы Москве в 2010 году, после чего Москва полностью перешла на закупку более современного подвижного состава. Вагоны пользовались большим спросом и в других метрополитенах — так, они поставлялись в Минск, Киев, и, периодически, в другие города в России и за рубеж. В 2002—2011 году ОАО «Метровагонмаш» поставило в Баку вагоны специальной комплектации, получившие обозначения 81-717.5Б и 81-714.5Б соответственно.
Метровагоны моделей 81-717.5М и 81-714.5М являются моторными, все оси вагонов ведущие. Вагоны рассчитаны на работу по системе многих единиц и могут эксплуатироваться в составе поезда с максимальным числом вагонов до восьми. Головные вагоны 81-717.5М при челночной эксплуатации подвижного состава устанавливаются по концам поезда. Кузова вагонов изготовлены из малоуглеродистой стали и имеют цельносварную несущую конструкцию. Наружная обшивка кузовов для обеспечения повышенной жёсткости выполнена из гофрированных стальных листов, кузова имеют повышенную тепло- и шумоизоляцию. Вагоны типов 81-717.5М/714.5М оборудованы двумя системами вентиляции — естественной приточно-вытяжной и принудительной механической.
Вагоны снабжены тяговым электроприводом постоянного тока с системой плавного регулирования поля (возбуждения двигателей), рассчитанного на работу в тяговом режиме и в режиме электродинамического резисторного торможения со скорости 90 км/ч до 8 км/ч. В каждом вагоне установлены четыре тяговых электродвигателя ДК-117ДМ с самовентиляцией, по два на тележку, мощностью по 114 кВт каждый.
Тележки вагонов 81-717.5М и 81-714.5М двухосные, с опорно-рамным подвешиванием тяговых электродвигателей и осевой подвеской редукторов. Рама тележки Н-образной формы цельносварная, с двухступенчатым рессорным подвешиванием. В первичном подвешивании использованы комплекты спиральных цилиндрических пружин. Вторичное подвешивание — люлечного типа, также с использованием спиральных цилиндрических пружин. В систему вторичного подвешивания встроены гидравлические амортизаторы гашения вертикальных и горизонтальных колебаний, двух токоприёмников, деталей механического тормоза. Масса тележки с двигателями — 7500 кг.
Внешне составы из электровагонов типов 81-717.5М/714.5М отличаются от своих предшественников наличием четырёх световых фар под лобовым стеклом головного вагона, однако с 2001 года более старые вагоны типов 81-717 и 81-717.5 при модернизации стали получать аналогичный вид. С 2003 года в пассажирские салоны вагонов типов 81-717.5М/714.5М устанавливаются антивандальные пластиковые сидения с мягкими вставками. Также они стали дополняться видеокамерами. С 2007 года салон освещается лампой типа световая линия. С 2008 года — новый пластик. С 2009 года — усовершенствованные тележки. С 2010 года — привод латвийского производства (в связи с закрытием завода «Динамо»), на вагонах 81-717.5М фары вместо рыже-жёлтых светло-сиренево-синие. Номера вагонов 81-717.5М 0346—0400, 2500—2872… 81-714.5М 0919—1998, 3001—3034…. С конца 2011 по лето 2014 года на ОЭВРЗ производились вагоны 81-717.5П/714.5П для Санкт-Петербурга с обновлённой кабиной машиниста, использующие кузова «Метровагонмаш», которые фактически являются полным аналогом вагонов 81-540.2/541.2 производства ЗАО «Вагонмаш». Ранее, в 2006—2007 «Метровагонмаш» также изготавливал промежуточные вагоны 81-714.5П для Санкт-Петербурга по спецзаказу,также аналогичные 81-541.2, однако, в силу небольшой величины заказа обладавшие рядом особенностей, свойственных только мытищинским вагонам.
Последние вагоны 81-717.5М/714.5М были произведены в 2014 году и поставлены в Минск.
Составы из вагонов 81-717.5М/714.5М эксплуатируются на Сокольнической, Замосковорецкой и Люблинско-Дмитровской линиях Московского метро, а также в Киевском, Бакинском, Минском — на Московской и Автозаводской линиях, Новосибирском — на Ленинской и Дзержинской и в Днепровском — на единственной в нём Центрально-Заводской линии. Вагоны 81-717.5П/714.5П эксплуатируются в Санкт-Петербурге, 81-717.5Б/714.5Б — в Бакинском метро. В 2010-х годах в Новосибирском метрополитене была освоена модернизация составов, получившая серийное обозначение 81-717.5Н/714.5Н.
Данные типы вагонов до сих пор остаются наиболее популярными не только в России, но и в Белоруссии и Азербайджане[21][22][23].
81-717.6К/714.6К, 81-717.6/714.6
| 81-717.6К/714.6К 81-717.6/714.6 | |
|---|---|
| | |
| Производство | |
| Годы постройки |
2007 (81-717.6К/714.6К) (модернизация 81-717.5/714.5) 2009, 2011—2014, 2017, 2019—2020 (81-717.6/714.6) (новые поезда) |
| Страна постройки |
|
| Производитель | Трансмашхолдинг |
| Завод | ОАО «Метровагонмаш» |
| Составов построено | 26 |
| Вагонов построено | 158 |
| Нумерация |
81-717.6: 17601—17602, 27001—27048; 81-714.6: 14601—14602, 20001—20098; 81-717.6К: 0252—0253; 81-714.6К: 0706—0711 |
| Технические данные | |
| Число вагонов в составе | 4—8 |
| Количество дверей | 2×4 |
| Длина вагона | 19 206 мм |
| Ширина | 2670 мм |
| Высота | 3650 мм |
| Эксплуатация | |
| Страны эксплуатации |
|
| Метрополитен |
|
| Линии |
Москва: Нижний Новгород: Первая линия (Екатеринбург) Первая линия (Самара) |
| Депо |
ТЧ-15 «Печатники» (Москва), ТЧ-1 «Пролетарское» (Нижний Новгород), ТЧ-1 «Калиновское» (Екатеринбург), ТЧ-1 «Кировское» (Самара) |
| Годы эксплуатации | с 2009 года |
В 2005 году был предложен проект, а c 2006 начались работы по капитальной модернизации существующих «номерных» до модификации, получившей название 81-717.6К/714.6К. В ходе модернизации на поезда устанавливалась новая просторная полуобтекаемая стеклопластиковая кабина машиниста с аварийной дверью в лобовой части и новым пультом управления; приточно-вытяжная вентиляция салона заменялась на принудительную, а также устанавливался новый комплект электрооборудования и тележки обновлённой конструкции. В пассажирском салоне была применена новая облицовка стен и сидений, а также новые светильники и круглые вентиляторы в потолочной зоне, в кабине машиниста устанавливался кондиционер[24].
В конце 2007 года по данному проекту был произведён капитальный ремонт и модернизация восьмивагонного состава типа 81-717.5/714.5. Первые три вагона поступили в декабре 2007 года в электродепо «Сокол» Московского метрополитена для проведения испытаний, а в январе 2008 состав был дополнен ещё пятью вагонами до восьмивагонной составности[24]. Спустя год комиссия утвердила результаты испытаний, и в 2009 году был произведён первый абсолютно новый серийный восьмивагонный состав, получивший обозначение типа 81-717.6/714.6 (без литеры «К» в обозначении), планировалась также модернизация старых вагонов до уровня 81-717.6К/714.6К[24].
Осенью 2009 года пробный модернизированный состав 81-717.6К/714.6К был отправлен в электродепо «Новогиреево» и эксплуатировался на Калининской линии до августа 2012 года, после чего был отстранён от эксплуатации с пассажирами. 29 декабря 2009 года на ту же линию вышел первый поезд типа 81-717.6/714.6[25]. Первоначально планировалось наладить серийное производство этих вагонов[24], но в ходе эксплуатации составов выявлены многочисленные проблемы, из-за которых они часто отсутствовали на линии, поэтому было решено укомплектовать Калининскую линию вагонами 81-760/761 «Ока».
В 2011 году в связи с продлением Люблинско-Дмитровской линии Московский метрополитен заказал ещё 10 новых восьмивагонных составов данного типа. Начиная со второго состава вагоны оборудованы электроприводом дверей. Впоследствии Московский метрополитен полностью отказался от закупок вагонов 81-717.6/714.6 и перешёл на закупку вагонов 81-760/761. Весной 2011 года выпущенный ранее первый состав 81-717.6/714.6 был передан в депо ТЧ-15 «Печатники» для обучения машинистов, а с лета снова начал эксплуатироваться с пассажирами. В настоящее время Люблинско-Дмитровскую линию обслуживают 10 серийных составов (1 состав был расформирован из-за неисправных вагонов)[26], а опытный .6К находится на консервации в электродепо ТЧ-16 «Митино»[27].
В 2012 году три четырёхвагонных состава 81-717.6/714.6 были закуплены для Нижегородского метрополитена к открытию станции «Горьковская»[28]. В октябре 2013 года в ТЧ-1 «Пролетарское» поступили ещё три пятивагонных состава 81-717.6/714.6. Ещё 23 вагона 81-717.6/714.6 для Нижнего Новгорода были изготовлены в 2014 году и дособраны на ОЭВРЗ в 2017 году, после чего были сформированы в три пятивагонных и два четырёхвагонных состава, которые поступили в метрополитен в конце 2017 — начале 2018 года[29].
В 2013 году вагоны 81-717.6/714.6 планировалось поставить в Ташкентский метрополитен, однако вместо них были закуплены составы типа «Москва»[30]. В 2019 году два четырёхвагонных состава 81-717.6/714.6 были закуплены для Екатеринбургского метрополитена[31]. В марте 2020 года осуществлена поставка одного состава 81-717.6/714.6 в Самарский метрополитен.
Некоторые технические решения (например, маска кабины), применённые на вагонах этого типа, были в дальнейшем применены при модернизации вагонов Будапештского метрополитена типов Ев3, 81-717.2/714.2 и 81-717.2М/714.2М в 81-717.2К/714.2К, а также Софийского — 81-717.4/714.4.
-
81-717.6/714.6 на станции «Братиславская» (Москва)
-
81-717.6/714.6 «Кузьма Минин» на станции «Московская» (Нижний Новгород)
-
Кабина машиниста
-
Пассажирский салон
81-717.5А/714.5А (Ретро-поезд «Сокольники»)
| 81-717.5А/714.5А | |
|---|---|
| | |
| Производство | |
| Годы постройки | 2010 год |
| Страна постройки |
|
| Производитель | Трансмашхолдинг |
| Завод | Метровагонмаш |
| Составов построено | 1 |
| Вагонов построено | 7 |
| Нумерация |
2837—1946—1947— 1948—1949—1950—2838 |
| Эксплуатация | |
| Страны эксплуатации |
|
| Метрополитен |
|
| Линии |
|
| Депо | ТЧ-1 «Северное» |
| Годы эксплуатации | с 2010 года |
Построен в 2010 году к 75-летию Московского метрополитена и стилизован под первый поезд, который состоял из вагонов типа А. Запущен 15 мая 2010 года на Сокольнической линии[32]. Изготовлен на основе модели 81-717.5М/714.5М и предназначен для регулярной пассажирской эксплуатации. Отличается от базовой модели дизайном экстерьера и интерьера, стилизованным под вагоны 1930-х годов. Во внешнем дизайне использована стилизованная под вагоны типа А лобовая часть головных вагонов, имеющая схожие с оригинальными для них указатель маршрута, воздушный сигнал, передний бампер, деревянные поручни с двумя большими хромированными фарами круглой формы (но без торцевой двери, в отличие от оригинала); на заводе корпуса вагонов окрашены в цветах вагона «А» образца 1935 года. Внутренняя отделка вагонов выполнена из трудногорючего пластика, имитирующего линкруст — материал, применявшийся в салонах вагонов старых серий; цветовое решение пассажирского салона аналогично вагонам типа А. Алюминиевые элементы декорированы под древесину, при этом изначально в вагонах ретро-поезда были установлены деревянные наличники окон (из бука). Кроме того, салон оборудован диванами с пружинными подушками и покрытием из искусственной кожи (аналогичны диванам 1935 года), поручнями в стиле 1935 года, потолочными и настенными светильниками бра, также характерными для первых вагонов типа А[33]. В конце 2016 года заводские таблички в вагонах были перебиты на обозначение 81-717.5М/714.5М, однако затем их заменили на соответствующие официальному заводскому обозначению модели — 81-717.5А/714.5А.
-
Поезд на Кольцевой линии во время парада поездов 15 мая 2015 года. Экстерьер и интерьер
-
Пассажирский салон
81-717.5Л
| 81-717.5Л | |
|---|---|
| | |
| Производство | |
| Годы постройки | 2018 год |
| Страна постройки |
|
| Производитель | Трансмашхолдинг |
| Завод | ОЭВРЗ |
| Вагонов построено | 1 |
| Эксплуатация | |
| Метрополитен |
|
| Депо | ТЧ-3 «Московское» |
| Годы эксплуатации | с 2018 года |
Этот раздел не завершён. |
Вагон-лаборатория 81-717.5Л построен в 2018 году[34] на ОЭВРЗ и доработан АО «Фирма ТВЕМА». С 2018 года эксплуатируется на линиях Петербургского метрополитена, вместо старого вагона-лаборатории типа Ема-502 № 6373.
81-714.6Д (81-714.5П)
Этот раздел не завершён. |
Вагон-дефектоскоп 81-714.6Д построен в 2016 году[35] на ОЭВРЗ в своей основе представляет собой вагон серии 81-714.5П с частично не установленным оборудованием и доработанный АО «Фирма ТВЕМА», присвоен бортовой номер № 002. Заменил собой старый вагон-дефектоскоп типа Ем № 3875, списанный в декабре 2016 года. С 2017 года эксплуатируется на линиях Петербургского метрополитена, в 2018 году вагон-дефектоскоп № 002 вместе с вагоном-путеизмерителем № 11482 был переведён из электродепо «Автово» в электродепо «Московское». В сентябре 2018 года находился в составе вагонов специального назначения (спецсоставе) следующего формирования: вагон-лаборатория № 006 (81-717.5Л) — № 7398 (81-714) — вагон-путеизмеритель № 11482 (81-541.7) — вагон-дефектоскоп № 002 (81-714.6Д) — № 7392 (81-714) — № 8441 (81-717).
-
Вагоны 81-717.5Л (первый справа) и 81-714.6Д (четвёртый) в составе служебного поезда
Конструкция
Вагоны метро моделей 81-717/714, как правило, эксплуатируются на метрополитенах с шириной колеи 1520+4 мм и имеющих нижний токосъём. Модификации, экспортировавшиеся в страны с колеёй 1435 мм, выпускались с тележками на данную колею.
Электрическая схема цепей управления такова, что поезд может формироваться строго из обеих разновидностей, причём по концам должны находиться головные вагоны, а в центре — промежуточные. Минимальное число промежуточных вагонов равно одному, максимальное — шести. Таким образом, всего в поезде может быть от трёх до восьми вагонов. Однако есть и исключения — таковым является Ереванский метрополитен, где используются двухвагонные составы (два головных вагона 81-717)[36]. Кроме того, при модернизации вагонов в тип 81-717М одним из вариантов исполнения являются одиночные двухкабинные головные вагоны, которые также эксплуатируются в Ереванском метрополитене[37]. Их количество поровну с двумя отдельными головными вагонами 81-717, которые были до модернизации.

Механическое оборудование
Кузов
Вагоны 81-717/714 и их разновидности имеют цельнометаллические несущие кузова, которые по конструкции схожи с кузовами вагонов типа Еж3 и Ем. Основными частями кузова являются рама, боковые стенки, лобовые и концевые части, крыша и металлический пол. Помимо этого, в кузовах вагонов модели 81-717 расположена сплошная металлическая перегородка, отделяющая кабину машиниста от пассажирского салона. Все эти части соединены между собой с помощью электродуговой (в отдельных узлах — контактной) сварки. Материалом кузова являются углеродистые высококачественные стали[38].
Рама вагона представляет собой замкнутый контур размерами 18 806×2666 мм, состоящий из боковых швеллерообразных (высота 180 мм, ширина 70 мм) балок и концевых частей (служат для размещения автосцепок). По концам расположены укороченные хребтовые балки, служащие для размещения поглощающих аппаратов автосцепок и имеющие гнёзда для размещения элементов крепления самих автосцепок. Помимо этого, в набор рамы входят 2 шкворневые балки (сварены из стальных листов толщиной 10 и 8 мм, через них кузов опирается на тележки) и нескольких поперечных балок (швеллер, 180×70×6 мм). Продольные балки в раме отсутствуют, так как их функции выполняет гофрированный пол. Все элементы рамы с помощью электродуговой сварки соединены между собой в единую монолитную конструкцию[38].

Между собой вагоны соединяются посредством жёсткой автосцепки Шарфенберга, которая, помимо механического соединения, одновременно соединяет поездные цепи управления, а также воздушные магистрали (напорную и тормозную, см. фото), что позволяет сократить общее время формирования поезда. Для соединения поездных проводов к головке автосцепки подвешена клеммная коробка, состоящая из четырёх разъёмов: двух штыревых и двух гнездовых. Общее число контактов в коробке — 36×4=144, однако подходящих проводов вдвое меньше. Это связано с тем, что нижние и верхние разъёмы дублируют друг друга, тем самым значительно повышая надёжность соединения цепей управления вагонов[8].
Боковые стенки и концевая часть кузова собраны из вертикальных стоек, подоконных балок и верхнего листа. В качестве обшивки применён стальной гофрированный лист толщиной 1,4—2 мм. Лобовая часть головных вагонов (модели 81-717) выполнена из стального штампованного листа толщиной 4 мм, дополнительно усиленного с помощью вертикальных рёбер жёсткости, и приварена непосредственно к каркасу кузова. Крыша вагона имеет полуфонарный тип, состоит из поперечных рёбер жёсткости и обшивки — стальной гофрированный лист толщиной 1,4 мм. Сверху на крыше установлены черпаки, внутри вдоль продольной оси имеются элементы для подвески светильников освещения салона. Для защиты от ржавчины, а также для повышения пожарной безопасности, металлические поверхности оклеены асбестом и покрыты огнестойкой эмалью (ПФ-218Г)[38].
Поздние модификации вагонов получили некоторые отличия в конструкции кузова — в модификациях 81-717.6 и 81-717.5П применены стеклопластиковые маски кабины, у вагонов .5П дополнительно расширены торцевые двери вагонов (аналогично вагонам 81-540). Также многие новые вагоны выпускаются без декоративного молдинга под окнами и без водоотливного желоба под крышей.
Тележки


Тележки вагонов 81-717/714 моторные двухосные с индивидуальной подвеской колёсных пар, колёсная база — 2100 мм. Основой тележки является рама (1, см. схему) Н-образной конструкции, сваренная из двух поперечных и двух продольных балок. Балки имеют коробчатое сечение, что достигается за счёт профилей корытообразного сечения. Соединение балок друг с другом осуществляется за счёт сварки встык, места соединения при этом усиливаются дополнительными накладками. Материалом балок является качественная углеродистая сталь марки 20. На продольных балках установлены кронштейны для крепления пневматического оборудования, на поперечных балках установлены скользуны (8), на которые опирается кузов вагона, а также кронштейны для крепления элементов тягового привода (ТЭД и редуктор) и центрального рессорного подвешивания. По конструкции тележки вагонов 81-717/714 схожи с тележками вагонов типа Е, отличия же обусловлены более высокими мощностями тяговых двигателей, а также более высоким служебным весом вагонов. Из-за этого масса комплекта тележек возросла с 7050 до 7550 кг, то есть на полтонны. Помимо этого, тележки вагонов 81-717 и 81-714 отличаются между собой, в частности на вагонах 81-717 на передней тележке устанавливаются кронштейны для крепления приёмных катушек АРС, а на буксе передней колёсной пары установлен срывной клапан автостопа. Помимо этого, на второй тележке головного вагона установлен рельсосмазыватель, а на буксах вторых осей обеих тележек расположены датчики скорости[8][39].
1 — рама; 2 — центральная балка; 3 — пружины центрального рессорного подвешивания; 4 — букса; 5 — пружины буксового рессорного подвешивания; 6 — тяговый поводок;7 — пятник; 8 — скользун; 9 — подвеска тягового редуктора; 10 — тяговый редуктор; 11 — колёсная пара; 12 — кулачковая муфта; 13 — тяговый электродвигатель; 14 — тормозные тяги; 15 — тормозная колодка; 16 — оттягивающее устройство
Колёсные пары вагонов (11) цельнокатанные. По сравнению с вагонами типа Е, на вагонах моделей 81-714 и 81-717 диаметр осей колёсных пар увеличен со 155 до 165 мм в подступичной части и со 145 до 150 мм в центральной части. Диаметр поверхности катания колёс остался без изменений — 780 мм[8]. Колёса запрессовываются на ось посредством горячей посадки, также на ось запрессовывается и специальная втулка, на которую уже непосредственно запрессовываются большое зубчатое колесо и опорные подшипники тягового редуктора. Для передачи продольных усилий от рамы тележки на ось колёсной пары и наоборот применены шпинтоны, закреплённые в продольных балках (на вагонах ранних выпусков — поводки (6)). Рама тележки (5) опирается на каждую буксу (4) через две цилиндрические витые пружины (5), которые имеют статический прогиб до 35 мм (под тарой вагона). Колебания буксового подвешивания гасятся во фрикционном гасителе, который представляет собой полимерную втулку, скользящую по стальному шпинтону[39].
В центре тележки расположена центральная балка (2), которая соединена предохранительным шкворнем с кузовом вагона и на которую непосредственно передаётся вес последнего. Кузов опирается на центральный пятник (7) балки, а для устранения боковой качки, на балке установлены боковые резиновые скользуны (8, выполнены в виде роликов). Вес центральной балки на основную раму тележки передаётся через центральное рессорное подвешивание (3), поддон и сочленённые подвески. Центральное рессорное подвешивание тележки выполнено из 4 (по 2 с каждой стороны) двухрядных витых цилиндрических пружин, со статическим прогибом 40 мм (при пустом вагоне). Гаситель колебаний в центральном подвешивании на сей раз гидравлический, установленный под углом, что позволяет ему гасить как вертикальные, так и поперечные колебания центральной балки относительно рамы тележки. Дополнительно между пружинами и поддоном имеется резиновая прокладка, служащая для поглощения высокочастотных колебаний. Каждая сочленённая подвеска (всего их в тележке 4, по 2 с каждой стороны) состоит из кованой серьги и двух кованых подвесок, шарнирно соединённых друг с другом. С целью исключения падения на путь узлов и деталей при обрыве сочленённых подвесок в центральном подвешивании применены предохранительные скобы, закреплённые в раме тележки и проходящие под выступами поддонов[39].
Электрооборудование
Выпускает ООО «Силовые машины — завод Реостат» г. Великие Луки Псковской области.
Тяговые электродвигатели
На каждом вагоне установлено четыре тяговых электродвигателя ДК-117Д, ДК-117ДМ или ТДМ-1, по два на каждой тележке, с индивидуальным приводом на каждую колёсную пару. Двигатели ДК-117, ТДМ-1 постоянного тока, коллекторные, обратимые, самовентилируемые, работают в ходовом и тормозном режимах для создания тягового и тормозного усилия. Максимальная мощность каждого двигателя — 110 кВт.
Силовые электронные аппараты
Блок питания собственных нужд
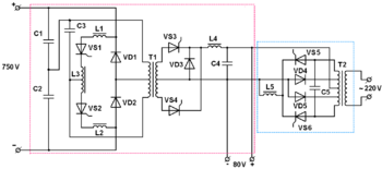
Для заряда аккумуляторных батарей, питания цепей управления и вспомогательных цепей, в том числе и освещения, на вагонах установлен электронный блок питания собственных нужд (БПСН), который представляет собой статический полупроводниковый преобразователь (см. схему).
Структурно блок состоит из двух преобразователей: первичного и вторичного. Первичный преобразователь (на схеме выделен красным контуром) преобразует напряжение контактного рельса постоянного тока 750 В в постоянное напряжение 80 В. Конструктивно состоит из автономного инвертора тока (тиристоры VS1-2, преобразует постоянный ток в переменный), понижающего трансформатора (T1) и управляемого выпрямителя (тиристоры VS3-4, преобразует переменный ток в постоянный). Помимо тиристоров и трансформатора, в состав преобразователя входят коммутирующие диоды (VD1-3), дроссели (L1-3), конденсаторы (C1-3) и резисторы (последние на схеме не показаны), а также сглаживающий фильтр (L4 и C4). Вторичный преобразователь (на схеме выделен синим контуром) служит для преобразования постоянного напряжения 80 В в переменное 220 В, которое поступает для питания цепей освещения. Конструктивно состоит из автономного инвертора напряжения (тиристоры VS5-6) и повышающего трансформатора (T2). И инверторы, и выпрямитель выполнены по схеме с нулевой точкой, что позволяет сократить количество полупроводниковых приборов[40].
Прототипом БПСН являются преобразователи СПМ № 1 (первичный) и СПМ № 2 (вторичный), которые были применены в 1973 году на первых вагонах типа И. Для облегчения ремонта было решено эти два преобразователя объединить в единый модуль. Выполненный по такой схеме блок питания получил обозначение БПСН-4. Его мощность составляла 4 кВт, установлен он был на вагонах типа 81-717 и 81-714 опытной партии (6 вагонов). Начиная же с вагонов установочной партии, начал устанавливаться блок питания собственных нужд типа БПСН-5У2 (в некоторых источниках можно встретить написание БПСН-5У-2), который отличается низким шумом (источником характерного высокочастотного гула, что можно услышать на остановках, является именно БПСН, а если точнее, то дроссель L3). Его же в процессе производства сменила модернизированная версия — БПСН-5У2М, которая отличалась большей ремонтопригодностью. В частности, тиристоры и диоды в первичном и вторичном преобразователях были идентичны[8].
С конца 2000-х годов, в ходе крупных ремонтов (средний, капитальный), а также на новых вагонах, БПСН часто заменяется более компактными и практически бесшумными преобразователями. Так на вагонах метрополитенов России устанавливают преобразователь напряжения БПН-115 производства Санкт-Петербургского завода «Чергос» весом не более 37 кг (против 280 кг у БПСН-5У2М).
Аккумуляторная батарея
Аккумуляторная батарея предназначена для питания цепей управления и вспомогательных цепей вагона, проверки оборудования без подачи высокого напряжения в электродепо. Может также кратковременно осуществлять питание БПСН при проезде не перекрытых контактным рельсом токоразделов, длительно обеспечивать аварийное освещение и принудительную аварийную вентиляцию салона. На каждый вагон (как головной, так и промежуточный) установлено по одной батарее.
На вагоны метрополитена 81-714/717 и их модификации установлены обслуживаемые щелочные никель-кадмиевые аккумуляторные батареи. В эксплуатации находятся батареи, составленные из 52 (у вагонов Е и их модификации 56) соединённых последовательно элементов («банок») НК-80 или KPL-55. Номинальная ёмкость составляет 80 и 55 ампер-часов соответственно. Номинальное напряжение под нагрузкой не менее 62,4 В. Когда на вагон подано высокое напряжение, батарея подзаряжается от источника 80 В БПСН. Изначально элементы размещались по четыре в деревянные ящики на стальной раме, сейчас используются изоляционные футляры из стеклопластика на стальной раме. Для удобства обслуживания батарея имеет ролики, на которых выкатывается из ящика на раздвинутые поворотные кронштейны. Может вручную перекатываться с кронштейнов на специальную тележку с переменной высотой платформы для доставки в аккумуляторное отделение.
Имеет 5 выводов: «−», «+26 В», «+33 В», «+50 В», «+». Вывод «+26 В» используется только для питания лампочки, освещающей аккумуляторный ящик при поднятой для осмотра верхней крышке.
Аккумуляторная батарея проходит ревизию со сменой электролита один раз в год, ревизию один раз в шесть месяцев, усиленный заряд один раз в три месяца.
Тиристорный регулятор

Если регулирование тока возбуждения (а следовательно, и магнитного поля) двигателей при разгоне осуществляется ступенчато за счёт реостатов, то в режиме реостатного торможения регулирование уже плавное, что позволяет поддерживать максимально возможную тормозную силу до 55—60 км/ч. Это достигается за счёт применения тиристорного регулятора РТ-300/300А (применяется при скоростях не менее 55 км/ч). Этот регулятор состоит из силового блока, блока управления и датчика тока двигателей. Силовой блок состоит из двух идентичных тиристорных ключей-фаз, каждая из которых обслуживает отдельную группу тяговых двигателей. Тиристорные ключи, помимо самих тиристоров, состоят из коммутирующих диодов, дросселей, конденсаторов и резисторов. Оба тиристорных ключа размещены в одном модуле, что располагается под вагоном. В этом же модуле размещён блок защиты, который в аварийных ситуациях отключает тиристорный регулятор, при этом на данном вагоне электрическое (реостатное) торможение замещается пневматическим[41]. РТ300/300 состоит из датчика тока, БУ-13 (блок управления), силовых блоков. ДТ-1 (датчик тока) служит для непрерывной передачи информации о силе тока в цепи якорей 2-й группы генераторов. БУ-13 сравнивает информацию от ДТ-1 с уставками, записанными в память БУ, результатом сравнения которых может быть ослабление или усиление магнитного поля силовых блоков
1 уставка — 160 А (Т1)
2 уставка — 250 А (Т1А и Т2), может увеличиваться в зависимости от загрузки вагона
Интерьер
Этот раздел не завершён. |
Кабина машиниста
-
Общий вид кабины 81-717.1
-
Пульт машиниста
-
Машинист управляет диагностическим поездом «Синерги́я» 81-717/714
Пассажирский салон
Пассажирские сиденья в вагонах 81-717/714 расположены продольно спинками к стенам вагона по бокам от центрального прохода. В базовом исполнении сиденья имеют сплошную кожаную обшивку, перегородки между сидячими местами отсутствуют. При прохождении поездом капитального ремонта основание сидений зачастую меняется на пластиковое с установкой отдельных для каждого пассажира подкладок из кожзама, в некоторых случаях между сиденьями могут устанавливаться металлические перегородки. Сиденья в пространстве между дверями вмещают 6 человек, в торцевой части вагонов — 3 (при установке перегородок число мест в торцах может быть сокращено до 2). Всего головные вагоны 81-717 имеют 42 сидячих места, а промежуточные 81-714 — 48 (в некоторых вариантах — 40 и 44 соответственно).
Изменения в конструкции
В процессе выпуска вагонов 81-717/714 в их конструкцию постоянно вносились изменения. Основные изменения приведены в таблице:
| Конструктивные изменения вагонов моделей 81-717 и 81-714 в процессе выпуска[36] | ||||||
|---|---|---|---|---|---|---|
| Изменение | Номера вагонов, в которые внесены изменения | |||||
| Мытищинский машиностроительный завод | Ленинградский вагоностроительный завод имени И. Е. Егорова | |||||
| Дата внедрения |
Вагон модели | Дата внедрения |
Вагон модели | |||
| 81-717 | 81-714 | 81-717 | 81-714 | |||
| Применена принудительная вентиляция пассажирского салона | 1981 | 9207 | 9565 | март 1982 | 8473 | 7440 |
| Деревянный ящик аккумуляторных батарей заменён на металлический | январь 1983 | 9274 | 9684 | январь 1980 | 8400 | 7202 |
| Для отделки применён трудногорючий пластик ТУ 400-1-18-79 «Дуб-59», двери изнутри и каркас диванов стали окрашивать эмалью ПФ-115 бежевого цвета | январь 1980 | 9233 | 9589, 9593, 9594, 9596 |
— | — | — |
| Для отделки применён трудногорючий пластик ТУ 6-05-1305-77, двери изнутри и каркас диванов стали окрашивать эмалью ПФ-115 «Белая ночь» с расцветкой «Редкий холст» | — | — | — | январь 1980 | 8400 | 7202 |
| Штампованный профиль бокового пояса рамы заменён на прокатный | 1978 | 9052 | 9356 | январь 1980 | 8400 | 7202 |
| На боковых окнах кабины машиниста стали устанавливать стеклоочистители | февраль 1979 | 9085 | — | август 1980 | 8400 | — |
| Заменена радиостанция (с типа ЖР3-М на 42РТМ-42-М) | март 1979 | 9086 | — | январь 1979 | 8400 | — |
| Изменена электрическая схема управления поездом (с учётом применения пятизначной аппаратуры системы АРС) | апрель 1979 | 9088 | — | август 1980 | 8400 | — |
| Изменено положение клапана блокировки ЭПК | апрель 1979 | 9088 | — | август 1980 | 8400 | — |
| Внедрён фиксатор положений на пакетных выключателях аккумуляторных батарей и системы АРС | май 1979 | 9090 | 9438 | август 1980 | 8400 | 7202 |
| Усилены каркасы диванов в пассажирском салоне | май 1979 | 9090 | 9438 | январь 1980 | 8400 | 7202 |
| На пульте со стороны помощника машиниста установлен дополнительный выключатель открытия левых дверей | июнь 1979 | 9092 | — | август 1980 | 8400 | — |
| Применена электрическая схема, обеспечивающая подключение аппаратуры автоведения типа САММ (вместо КСАУПМ) | с июня 1979 до августа 1980 |
9092 — 9163, 9169 |
— | — | — | — |
| На тягах тормозной передачи применены усиливающие накладки и предохранительные тросики | с июля 1979 до июля 1980 |
9095 | 9450 | — | — | — |
| Введена схема, по которой якоря тяговых двигателей стали располагаться относительно обмоток возбуждения симметрично в обеих группах | октябрь 1979 | 9107 | 9468 | январь 1980 | 8400 | 7202 |
| Введена электрическая схема, позволяющая исключить клапан блокировки ЭПК | октябрь 1979 | 9107 | — | август 1980 | 8400 | — |
| Вместо выключателя батареи ВБ13-А стали устанавливать ВБ13-Б | октябрь 1979 | 9107 | 9468 | январь 1980 | 8400 | 7202 |
| Валики крепления вертикальных рычагов тормозной передачи были заменены на болты с резиновыми амортизаторами | октябрь 1979 | 9107 | 9468 | январь 1980 | 8400 | 7202 |
| Изменена конструкция ящика с главными предохранителями, в связи с чем тот сменил обозначение с ЯП-57А на ЯП-57Б | ноябрь 1979 | 9111 | 9472 | январь 1980 | 8400 | 7202 |
| Изменено положение выключателя управления | ноябрь 1979 | 9111 | — | август 1980 | 8400 | — |
| Изготовлены вагоны с электроконтактными коробками междувагонного соединения на базе штепсельных разъёмов 7Р-52 | 1980, 1982, январь 1985 |
9126, 9127, 9129, 9239—9250, 9597, 0015 |
9488, 9492, 9493, 9506, 9603—9629, 9845 |
май 1980 | 8647 | 7806 |
| Улучшено расположение ламп освещения кабины машиниста | февраль 1980 | 9126—9128, 9130 |
— | август 1980 | 8400 | — |
| Применено удлинённое водило автосцепки с двумя упорными гайками ударно-тягового аппарата | апрель 1981 | 9205 | 9558 | октябрь 1980 | 8404, 8408 |
7291, 7293 |
| Снята защёлка стояночного тормоза | декабрь 1980 | 9182 | 9535 | ноябрь 1980 | 8407 | 7323 |
| На кузове вагона стала размещаться бортовая сигнализация работы стояночного тормоза | декабрь 1980 | 9182 | 9535 | декабрь 1980 | 8408 | 7310 |
| В кабине машиниста изменено расположение крана включения стояночного тормоза | декабрь 1980 | 9182 | — | ноябрь 1982 | 8499 | — |
| Изменено положение на пульте машиниста выключателей открытия левых и правых дверей | июль 1981 | 9219 | — | май 1982 | 8479 | — |
| На рычажной тормозной передаче применено стабилизирующее (антивибрационное) устройство | с сентября 1981 до мая 1982 |
9225—9253 | 9573—9638 | с сентября 1981 до июня 1982 |
8445—8481 | 7392, 7405—7459 |
| Стали применять цельнокатанные колёсные пары с уменьшенной (до 65 мм) толщиной гребня катания | с 1980 | 9229 | 9579 | с 1984 | 8565 | 7600 |
| Улучшена конструкция стабилизирующего устройства | май 1982 | 9252 | 9634 | июнь 1982 | 8482 | 7463 |
| В кабине машиниста снята блокировка клапана ЭПК | ноябрь 1981 | 9227 | — | апрель 1981 | 8422 | — |
| Начало устанавливаться переговорное устройство «Пассажир-машинист» | март 1982 | 9301 | 9581 | февраль 1984 | 8573 | 7667 |
| В пассажирском вагоне демонтированы стоп-краны | март 1982 | 9244 | 9606 | март 1982 | 8467 | 7427, 7436 |
| В кабине машиниста со стороны помощника стали устанавливать кнопочные выключатели открытия и закрытия дверей | апрель 1982 | 9249 | — | январь 1983 | 8511 | — |
| Применена быстродействующая защита силовой электрической схемы (опытные вагоны) | 1982 | 9266, 9268 |
9634, 9640, 9648—9650 |
— | — | — |
| В надбуксовом рессорном подвешивании стали применять поводки переменного сечения | июнь — август 1982 | 9258 | 9640 | август 1982 — ноябрь 1983 |
8491 | 7496 |
| Изменено крепление поводков в надбуксовом рессорном подвешивании | октябрь 1983 | 9271 | 9658 | ноябрь 1982 | 8504 | 7497 |
| Изменена конструкция штепсельных разъёмов подключения пультов для манёвров | октябрь 1982 | — | 9658 | август 1983 | — | 7591 |
| Пуско-тормозные резисторы стали располагаться на 50 мм ниже | декабрь 1982 | 9273 | 9675 | декабрь 1982 | 8509 | 7516 |
| Улучшена раздача воздуха от системы принудительной вентиляции в кабине машиниста | январь 1983 | 9274 | — | октябрь 1984 | 8618 | — |
| Шесть громкоговорителей типа 1ГД40 заменены на три типа 2ГД40 | январь 1983 | 9274 | 9676 | январь 1984 | 8566 | 7656 |
| Поводковая связь буксы колёсной пары с рамой тележки заменена на шпинтонную (опытные вагоны) | 1983 | — | 9677, 9744, 9823 |
— | — | 7679 |
| Стали устанавливать блоки питания собственных нужд типа БПСН-5У2М | сентябрь 1981 | 0001 | 9823 | октябрь 1984 | 8617 | 7753 |
| Белые сигнальные фары ФГ16 заменены на ФГ146, при этом изменена конструкция их установки на вагоне | март 1983 | 9283 | — | октябрь 1984 | 8618 | — |
| В рычажной тормозной передаче увеличена толщина наружных параллельных затяжек | март 1983 | 9283 | 9699 | март 1983 | 8531 | 7547 |
| Введён скос на задней перегородке кабины машиниста | март—апрель 1983 | 9286 | — | октябрь 1982 | 8499 | — |
| Введён дополнительный блок-контакт контактора ЛК-2. Ящик с линейными контакторами ЛК-7568 заменён на ЛК-761 | июль 1983 | 9270 | 9713 | июль 1983 | 8534 | 7580 |
| Аккумуляторная батарея цепей питания АРС заменена стабилизатором напряжения | июнь 1983 | 9290 | — | январь 1983 | 8511 | — |
| Установлен дополнительный кран отключения воздухораспределителя из салона вагона | июль 1983 | 9292 | 9718 | — | — | — |
| В цепи мостового перехода силовой электрической схемы применены полупроводниковые диоды. Ящик ПКГ-761А-1 заменён на ПКГ-761А-2 | октябрь 1983 | 9301 | 9736 | август — ноябрь 1983 | 8544 | 7605 |
| Внедрена тепловая защита мотор-компрессора. Ящик ЯК-36Б заменён на ЯК-36В | февраль 1982 | 9321 | 9766 | апрель 1984 | 8585 | 7673 |
| Применён трудногорючий пластик с расцветкой под «Ясень» | апрель 1984 | 9327 | 9771 | — | — | — |
| Изменена быстродействующая и дифференциальная защита силовой электрической схемы, применён дистанционный привод токоприёмников (опытные вагоны) | май 1985 | 9336—9339 | 9775, 9778, 9782, 9783, 9789, 9790, 9792—9794, 9788 |
май 1985 | 8586, 8587, 8596, 8597 |
7693, 7695—7698, 7702—7706 |
| Налажен серийный выпуск вагонов с быстродействующей и дифференциальной защитой | июнь 1984 | 9349 | 9799 | июнь 1984 | 8587 | 7693 |
| То же с полностью укомплектованными электроаппаратами | январь 1985 | 0015 | 9845 | — | — | — |
| Изменён привод рукоятки контроллера машиниста | июль 1984 | 9349 | — | март 1985 | 8635 | — |
| Изменена электрическая схема подключения системы АРС с установкой аппаратуры «МАРС» и со схемой резервирования | январь 1985 | 0015 | — | февраль 1985 | 8629 | — |
| В зоне раздвижных дверей установлены дополнительные вертикальные поручни | 1984, май 1986 |
0069 | 9820, 9941 |
июль 1987 | 8820, 8821, 8822, 8825 | 8094 |
| На пульте управления в качестве выключателя дверей применены кнопки с подсветкой | январь 1985 | 0015 | — | февраль 1985 | 8629 | — |
| Панель с реле ПР-124Б заменена на ПР-138 | январь 1985 | 0015 | — | февраль 1985 | 8626 | — |
| На боковых стенках кузова выше подоконного пояса вместо двух гофров стало три | декабрь 1985 | 0044 | 9885 | 1980 | 8400 | 7202 |
| Профиль поперечных балок рамы кузова заменён со штампованного на прокатный | январь 1986 | 0057 | 9917 | 1980 | 8400 | 7202 |
| Сигнальные лампы в количестве трёх штук на боковых стенках кузова стали располагаться вертикально, а не горизонтально | май 1986 | 0069 | 9941 | 1987 | 8773 | 8013 |
| Применён ящик ЯРД-2 с усовершенствованной дифференциальной защитой | сентябрь 1987 | — | — | сентябрь 1987 | 8817 | 8087 |
| Применена шпинтонная связь буксы колёсной пары и рамы тележки, в узле скольжения применены полимерные материалы | ноябрь 1987 | 0129 | 0460 | январь 1988 | 8834 | 8119 |
| Начал использоваться трудногорючий линолеум пола | январь 1988 | 0129, 0140 |
0485 | декабрь 1987 | 8833 | 8118 |
| Использована огнезащитная фанера | май 1988 | 0129, 0154 |
0502 | июнь 1988 | 8866 | 8185 |
| Высоковольтные предохранители перенесены из кабины под вагон | февраль 1988 | — | — | май 1988 | 8845 | 8139 |
Примечания
Комментарии
- ↑ Номинальное напряжение на подстанции — 825 В
- ↑ 2,0 2,1 2,2 В числителе для вагона модели 81-717, в знаменателе для вагона модели 81-714
- ↑ Изначально неофициальное название. Позже оно стало фигурировать в источниках
- ↑ В Алма-Атинском метрополитене эксплуатируется модель южнокорейской компании «Hyundai Rotem».
- ↑ Модель 81-7021/7022; эксплуатируется, в частности, на Святошинско-Броварской линии.
- ↑ В числителе для вагона модели 81-717.2, в знаменателе для вагона модели 81-714.2
Источники
- ↑ Обновление петербургского метро может потянуть на 200 млрд рублей. Но кондиционеров в вагонах не ждите (фото). fontanka.ru - новости Санкт-Петербурга (29 апреля 2021). Дата обращения: 19 декабря 2022.
- ↑ Обновление и ремонт составов типа «Номерной» и «Русич». www.mosmetro.ru. Дата обращения: 4 июля 2022.
- ↑ 0173200001420000209 Выполнение работ по капитальному ремонту вагонов серии 81-717/714 и их. zakupki.kontur.ru. Дата обращения: 4 июля 2022.
- ↑ Светлана ВОЛКОВА. От "А" до "Москвы": история составов столичного метро. kp.ru (5 сентября 2020). Дата обращения: 21 февраля 2022.
- ↑ Какими были первые поезда столичного метро. moscowseasons.com. Дата обращения: 14 декабря 2022.
- ↑ 6,0 6,1 Электроподвижной состав отечественных ЖД, 2015, Моторные вагоны типа Е и их разновидности, с. 431—449.
- ↑ 7,0 7,1 Электроподвижной состав отечественных ЖД, 2015, Опытные электровагоны типа И, с. 449—456.
- ↑ 8,0 8,1 8,2 8,3 8,4 8,5 8,6 8,7 Электроподвижной состав отечественных ЖД, 2015, Моторные электровагоны типов 81-717 и 81-714, с. 456—465.
- ↑ Узбекистан, Метрополитен — Статистика подвижного состава. TransPhoto. Дата обращения: 19 октября 2021.
- ↑ Украина, Метрополитен — Статистика подвижного состава. TransPhoto. Дата обращения: 19 октября 2021. Архивировано 30 сентября 2021 года.
- ↑ Do Krkonoš vypustíme tramvaje i soupravy metra, plánují projektanti 10.05.2011. Дата обращения: 15 апреля 2021. Архивировано 15 апреля 2021 года.
- ↑ 12,0 12,1 Modernizovaná souprava 81-71M (чешск.) (недоступная ссылка). Дата обращения: 4 декабря 2010. Архивировано 6 июля 2012 года.
- ↑ 13,0 13,1 13,2 Анатолий Болдырев. В будапеште на линии метро вышли вагоны, модернизированные на «Метровагонмаше». Официальный сайт. ИД «Гудок» (24 марта 2017). Дата обращения: 26 марта 2017. Архивировано 26 июня 2017 года.
- ↑ 14,0 14,1 14,2 14,3 На третьей линии метро Будапешта курсируют только модернизированные составы Трансмашхолдинга. Новости // 2018 год. Официальный сайт. ОАО «Метровагонмаш» (4 апреля 2018). Дата обращения: 10 апреля 2018. Архивировано 24 февраля 2019 года.
- ↑ Russian metro carriage scandal (англ.) ?. Daily News Hungary (5 июня 2016). Дата обращения: 21 декабря 2020. Архивировано 4 ноября 2019 года.
- ↑ Népszava. Megbukott a nagy budapesti metrócsalás (венг.). nepszava.hu. Дата обращения: 21 декабря 2020. Архивировано 28 ноября 2020 года.
- ↑ Eva S. Balogh. Doing business with a Russian company: The sad story of the Budapest metro cars (англ.) ?. Hungarian Spectrum (22 января 2020). Дата обращения: 21 декабря 2020. Архивировано 19 мая 2021 года.
- ↑ 18,0 18,1 Метровагонмаш отправил в Софийский метрополитен 2 модернизированных поезда метро. Новости // 2020 год. Официальный сайт. ОАО «Метровагонмаш» (4 февраля 2020). Дата обращения: 8 апреля 2020. Архивировано 2 мая 2020 года.
- ↑ МВМ модернизирует ещё 40 вагонов для метро Софии. Новости // 2020 год. Официальный сайт. ОАО «Метровагонмаш» (24 марта 2020). Дата обращения: 9 апреля 2020. Архивировано 2 апреля 2020 года.
- ↑ 20,0 20,1 81-717.4/714.4 «София». metrowagonmash.ru. Дата обращения: 19 декабря 2021.
- ↑ Россия, Метрополитен — Статистика подвижного состава. TransPhoto. Дата обращения: 18 октября 2021. Архивировано 18 октября 2021 года.
- ↑ Беларусь, Метрополитен — Статистика подвижного состава. TransPhoto. Дата обращения: 19 октября 2021. Архивировано 19 октября 2021 года.
- ↑ Азербайджан, Метрополитен — Статистика подвижного состава. TransPhoto. Дата обращения: 19 октября 2021. Архивировано 19 октября 2021 года.
- ↑ 24,0 24,1 24,2 24,3 ТМХ запускает в серийное производство модернизированные метровагоны. Портал машиностроения (10 декабря 2008). Дата обращения: 16 января 2018. Архивировано 18 января 2018 года.
- ↑ Модель 81-717.6/714.6. «Наш транспорт». Дата обращения: 19 апреля 2011. Архивировано 17 декабря 2018 года.
- ↑ 81-717.6 — TransPhoto.
- ↑ 81-717.6К — TransPhoto.
- ↑ Метровагонмаш победил в тендере на поставку вагонов метро в Нижний Новгород (недоступная ссылка). Официальный сайт. ЗАО «Трансмашхолдинг» (27 июля 2012). Дата обращения: 16 января 2018. Архивировано 14 января 2018 года.
- ↑ ОАО «Метровагонмаш» завершило поставку вагонов метрополитену Нижнего Новгорода. ИД «Гудок» (15 января 2018). Дата обращения: 16 января 2018. Архивировано 18 января 2018 года.
- ↑ 81-765 для метро Ташкента, и строительство метро в Ташкенте. YouTube. O'ZBEKISTON 24 (26 января 2019). Дата обращения: 13 июля 2019.
- ↑ Трансмашхолдинг отправил вагоны метро в Екатеринбургский метрополитен (недоступная ссылка). Официальный сайт. НАО «Трансмашхолдинг» (14 марта 2019). Дата обращения: 15 марта 2019. Архивировано 19 марта 2019 года.
- ↑ Новое — хорошо стилизованное под старое. Ретропоезд московского метро. РИА Новости (15 мая 2010). Дата обращения: 10 апреля 2018. Архивировано 11 апреля 2018 года.
- ↑ 81-717.5А/714.5А Ретро — Метровагонмаш.
- ↑ 81-717.5Л — TransPhoto.
- ↑ 81-714.6Д — TransPhoto.
- ↑ 36,0 36,1 Руководство по эксплуатации 81-717.5/714.5, 1995, Назначение вагонов и условия их эксплуатации, с. 3—10.
- ↑ В Ереванском метро началась эксплуатация одновагонного поезда. Мир метро (2 января 2018). Дата обращения: 10 апреля 2018. Архивировано 9 апреля 2018 года.
- ↑ 38,0 38,1 38,2 Руководство по эксплуатации 81-717.5/714.5, 1995, Кузов, с. 11—13.
- ↑ 39,0 39,1 39,2 Руководство по эксплуатации 81-717.5/714.5, 1995, Тележка, с. 20—29.
- ↑ Руководство по эксплуатации 81-717.5/714.5, 1995, Блок питания собственных нужд БПСН-5У2М, с. 80—91.
- ↑ Руководство по эксплуатации 81-717.5/714.5, 1995, Тиристорный регулятор РТ-300/300А, с. 37—49.
Литература
- Руководство по эксплуатации вагонов метрополитена моделей 81-717.5 и 81-714.5 / Акционерное общество «Метровагонмаш». — М.: Транспорт, 1995. — 447 с.
- Абрамов Е. Р. Моторные электровагоны типов 81-717 и 81-714 и их разновидности // Электроподвижной состав отечественных железных дорог. — М., 2015. — С. 456—465.
- Раков В. А. Моторные электровагоны 81-717 и 81-714 // Локомотивы и моторвагонный подвижной состав железных дорог Советского Союза (1976—1985 гг.). — 1989. — С. 125—131.
Ссылки
Официальные сайты
- Вагоны 81-717.5М/714.5М. Архивная продукция — Вагоны метро. Официальный сайт. ОАО «Метровагонмаш». Дата обращения: 9 апреля 2018. Архивировано 9 апреля 2018 года.
- Вагоны 81-717.6/714.6. Архивная продукция — Вагоны метро. Официальный сайт. ОАО «Метровагонмаш». Дата обращения: 9 апреля 2018. Архивировано 9 апреля 2018 года.
- Вагоны 81-717.5А/714.5А (Ретро). Спецпроекты — Вагоны метро. Официальный сайт. ОАО «Метровагонмаш». Дата обращения: 9 апреля 2018. Архивировано 9 апреля 2018 года.
- Вагоны 81-717.2К/714.2К. Продукция — Вагоны метро. Официальный сайт. ОАО «Метровагонмаш». Дата обращения: 9 апреля 2018. Архивировано 9 апреля 2018 года.
Статьи и тематические сайты
- Электровагоны типов 81-717/714 и 81-717.5/714.5. «Метровагоны». Дата обращения: 9 апреля 2018.
- Электровагоны типов 81-717.6К/714.6К. «Метровагоны». Дата обращения: 9 апреля 2018.
- Экспортные модификации метровагонов, выпущенные в СССР и в России. «Метровагоны». Дата обращения: 9 апреля 2018.
- Электровагоны типа 81-71М. «Метровагоны». Дата обращения: 9 апреля 2018.
- Статьи о номерном. Проект «Номерной». Дата обращения: 9 апреля 2018.
- Вагон метрополитена 81/717. Каталог. deutschefotothek.de. Дата обращения: 9 апреля 2018.
Фотогалереи и базы приписки
- Список подвижного состава 81-717./714. производства ММЗ (фотографии и данные приписки). TransPhoto. Дата обращения: 10 апреля 2018.
- Список подвижного состава 81-717./714. производства ЛВЗ (фотографии и данные приписки). TransPhoto. Дата обращения: 10 апреля 2018.
- Список подвижного состава 81-717.1./714.1. (фотографии и данные приписки). TransPhoto. Дата обращения: 10 апреля 2018.
- Список подвижного состава 81-71M: 2Mt./3Mt./4Mt. (фотографии и данные приписки). TransPhoto. Дата обращения: 10 апреля 2018.
- Список подвижного состава 81-717.2./714.2. и 717.2М./714.2М. (фотографии и данные приписки). TransPhoto. Дата обращения: 10 апреля 2018.
- Список подвижного состава 81-717.2К./714.2К. (фотографии и данные приписки). TransPhoto. Дата обращения: 10 апреля 2018.
- Список подвижного состава 81-717.3./714.3. и 714.3М. (фотографии и данные приписки). TransPhoto. Дата обращения: 10 апреля 2018.
- Список подвижного состава 81-717.4./714.4. (фотографии и данные приписки). TransPhoto. Дата обращения: 10 апреля 2018.
- Список подвижного состава 81-717.5./714.5. производства ММЗ (фотографии и данные приписки). TransPhoto. Дата обращения: 10 апреля 2018.
- Список подвижного состава 81-717.5./714.5. и 714.5М. производства ЛВЗ (фотографии и данные приписки). TransPhoto. Дата обращения: 10 апреля 2018.
- Список подвижного состава 81-717.5М./714.5М., 717.5Б./714.5Б., 717.5К./714.5К., 717.5Н. и 717.5П./714.5П. производства ММЗ (фотографии и данные приписки). TransPhoto. Дата обращения: 10 апреля 2018.
- Список подвижного состава 81-717.5М./714.5М., 717.5К., 714.5Н. и 717.5П./714.5П. производства ОЭВРЗ (фотографии и данные приписки). TransPhoto. Дата обращения: 10 апреля 2018.
- Список подвижного состава 81-717.5Л. и 714.6Д. производства ОЭВРЗ (фотографии и данные приписки). TransPhoto. Дата обращения: 10 апреля 2018.
- Список подвижного состава 81-717.5А./714.5А. (фотографии и данные приписки). TransPhoto. Дата обращения: 10 апреля 2018.
- Список подвижного состава 81-717.6./714.6. и 714.6К./714.6К. (фотографии и данные приписки). TransPhoto. Дата обращения: 10 апреля 2018.
- Список подвижного состава 81-717M./714M. (фотографии и данные приписки). TransPhoto. Дата обращения: 10 апреля 2018.
- Обкатки вагонов 81-717.6К/714.6К на Замоскворецкой линии. Фотографии. Метромост. Дата обращения: 9 апреля 2018.
Для улучшения этой статьи по транспорту желательно: |
- Моторвагонный подвижной состав, появившийся в 1976 году
- Вагоны метрополитена по алфавиту
- Моторвагонный подвижной состав, появившийся в 1977 году
- Моторвагонный подвижной состав, появившийся в 1979 году
- Моторвагонный подвижной состав, появившийся в 2016 году
- Моторвагонный подвижной состав, появившийся в 1989 году
- Моторвагонный подвижной состав, появившийся в 2019 году
- Моторвагонный подвижной состав, появившийся в 1988 году
- Моторвагонный подвижной состав, появившийся в 1993 году
- Моторвагонный подвижной состав, появившийся в 2007 году
- Моторвагонный подвижной состав, появившийся в 2010 году
- Моторвагонный подвижной состав, появившийся в 2018 году
- Подвижной состав Бакинского метрополитена
- Подвижной состав Будапештского метрополитена
- Подвижной состав Варшавского метрополитена
- Подвижной состав Днепровского метрополитена
- Подвижной состав Екатеринбургского метрополитена
- Подвижной состав Ереванского метрополитена
- Подвижной состав Киевского метрополитена
- Подвижной состав Минского метрополитена
- Подвижной состав Московского метрополитена
- Подвижной состав Нижегородского метрополитена
- Подвижной состав Новосибирского метрополитена
- Подвижной состав Петербургского метрополитена
- Подвижной состав Пражского метрополитена
- Подвижной состав Самарского метрополитена
- Подвижной состав Софийского метрополитена
- Подвижной состав Ташкентского метрополитена
- Подвижной состав Тбилисского метрополитена
- Подвижной состав Харьковского метрополитена
















