Grain
Grain - симметричный алгоритм синхронного потокового шифрования, ориентированный, в первую очередь на аппаратную реализацию. Шифр представлен на конкурсе eSTREAM в 2004 году Мартином Хеллом, Томасом Юханссоном и Вилли Мейером. Алгоритм стал одним из финалистов конкурса во втором профиле (аппаратно ориентированные шифры).
Описание

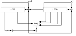
Шифр состоит из трёх основных блоков: двух 80-битных регистров сдвига с обратной связью и выходной функции. Один из регистров обладает линейной функцией обратной связи (LFSR), второй регистр имеет нелинейную функцию обратной связи (NFSR). Внутреннее состояние шифра полностью определяется регистрами сдвига.
Регистр сдвига с линейной обратной связью
Функция обратной связи данного регистра задаётся примитивным полиномом [math]\displaystyle{ f(x) = 1 + x^{18} + x^{29} + x^{42} + x^{57} + x^{67} + x^{80} }[/math]
Если представить состояние регистра в виде [math]\displaystyle{ s_{i}, s_{i+1}, .. , s_{i+79} }[/math], то следующий младший (правый) бит будет задаваться соотношением
[math]\displaystyle{ s_{i+80} = s_{i+62} + s_{i+51} + s_{i+38} + s_{i+23} + s_{i+13} + s_{i} }[/math]
Регистр сдвига с нелинейной обратной связью
Функция обратной связи регистра с нелинейной обратной связью задаётся соотношением
[math]\displaystyle{ g(x) = 1 + x^{18} + x^{20} + x^{28} + x^{35} + x^{43} + x^{47} + x^{52} + x^{59} + x^{66} + x^{71} + x^{80} + x^{17}x^{20} + x^{43}x^{47} + x^{65}x^{71} + x^{20}x^{28}x^{35} + x^{47}x^{52}x^{59} + x^{17}x^{35}x^{52}x^{71} + x^{20}x^{28}x^{43}x^{47} + x^{17}x^{20}x^{59}x^{65} + x^{17}x^{20}x^{28}x^{35}x^{43} + x^{47}x^{52}x^{59}x^{65}x^{71} + x^{28}x^{35}x^{43}x^{47}x^{52}x^{59} }[/math]
Для битов [math]\displaystyle{ b_{i} }[/math] регистра NLSR получается выражение
[math]\displaystyle{ b_{i+80} = s_{i} + b_{i+62} + b_{i+60} + b_{i+52} + b_{i+45} + b_{i+37} + b_{i+33} + b_{i+28} + b_{i+21} + b_{i+14} + b_{i+9} + b_{i} + b_{i+63}b_{i+60} + b_{i+37}b_{i+33} + b_{i+15}b_{i+9} + b_{i+60}b_{i+52}b_{i+45} + b_{i+33}b_{i+28}b_{i+21} + b_{i+63}b_{i+45}b_{i+28}b_{i+9} + b_{i+60}b_{i+52}b_{i+37}b_{i+33} + b_{i+63}b_{i+60}b_{i+21}b_{i+15} + b_{i+63}b_{i+60}b_{i+52}b_{i+45}b_{i+37} + b_{i+33}b_{i+28}b_{i+21}b_{i+15}b_{i+9} + b_{i+52}b_{i+45}b_{i+37}b_{i+33}b_{i+28}b_{i+21} }[/math]
Выходная функция
В качестве аргументов функция [math]\displaystyle{ h(x) }[/math] принимает значения битов из LFSR и NFSR:
[math]\displaystyle{ h(x) = x_{1}+x_{4}+x_{0}x_{3}+x_{2}x_{3}+x_{3}x_{4}+x_{0}x_{1}x_{2}+x_{0}x_{2}x_{3}+x_{0}x_{2}x_{4}+x_{1}x_{2}x_{4}+x_{2}x_{3}x_{4} }[/math]
где [math]\displaystyle{ x_{0}, x_{1}, x_{2}, x_{3}, x_{4} }[/math] равны соответственно [math]\displaystyle{ s_{i+3}, s_{i+25}, s_{i+46}, s_{i+64}, b_{i+63} }[/math]
В результате на выход поступает
[math]\displaystyle{ z_{i} = \sum_{k \in A}b_{i+k} + h(s_{i+3}, s_{i+25}, s_{i+46}, s_{i+64}, b_{i+63}), A = \{1, 2, 4, 10, 31, 43, 56 \} }[/math]
Инициализация состояния

Шифр принимает на вход 80-битный ключ (secret key) и 64-битный вектор инициализации (initialization vector).
Перед тем как начать генерировать ключевой поток (keystream), шифр должен инициализировать своё состояние.
Пусть [math]\displaystyle{ K = K_{0}, .., K_{79} }[/math] и [math]\displaystyle{ IV = IV_{0}, .., IV_{63} }[/math]. Можно выделить следующие этапы инициализации состояния:
1. Загрузка битов ключа [math]\displaystyle{ K }[/math] в NFSR, [math]\displaystyle{ b_{i} = K_{i}, 0 \le i \le 79 }[/math] 2. Загрузка [math]\displaystyle{ IV }[/math] в LFSR, [math]\displaystyle{ s_{i} = IV_{i}, 0 \le i \le 63 }[/math] 3. Заполнение оставшихся битов LFSR единицами, [math]\displaystyle{ s_{i} = 1, 64 \le i \le 79 }[/math]
После этого шифр 160 тактов работает без выдачи ключевого потока, но результат работы шифра подаётся на вход NFSR и LFSR.
Производительность

В случае когда аппаратная платформа не ограничена в ресурсах, то шифр позволяет достаточно просто увеличить скорость шифрования. Т.к. оба регистра каждый такт сдвигаются на 1 бит, то если просто реализовать несколько раз ([math]\displaystyle{ N }[/math]) функции обратной связи [math]\displaystyle{ f(x) }[/math] и [math]\displaystyle{ g(x) }[/math] и выходную функцию [math]\displaystyle{ h(x) }[/math], то скорость шифрования можно увеличить в [math]\displaystyle{ N }[/math] раз, при этом регистры сдвига за каждый такт также должны сдвигаться на [math]\displaystyle{ N }[/math] бит. Младшие 15 бит регистров сдвига не используются в функциях обратной связи и поэтому [math]\displaystyle{ N }[/math] может принимать значения от 1 до 16.
Т.к. при инициализации состояния шифр должен отработать 160 тактов, то это накладывает некоторые ограничения на значение [math]\displaystyle{ N }[/math], [math]\displaystyle{ i = 160/N }[/math] должно быть целым числом.
Безопасность
Еще в версии 0.0 авторы заявляли, что шифр разработан таким образом, что невозможна атака быстрее, чем полный перебор ключей. Таким образом, лучшая атака должна иметь сложность порядка 280.
В спецификации версии 0.0 Grain [1] авторы утверждали: "Grain предоставляет большую надёжность, чем некоторые другие известные аппаратно ориентированные шифры. Хорошо известными примерами таких шифров является E0, используемый в Bluetooth, и A5/1, используемый в GSM. Хотя эти шифры просты в реализации, доказано, что они очень ненадёжны. По сравнению с E0 и A5/1, Grain предоставляет большую надёжность, сохраняя простоту реализации".
В версии 0.0 был обнаружен ряд серьёзных уязвимостей, поэтому в обновлённой версии 1.0 [2], у шифра немного изменилась выходная функция и функция обратной связи у регистра с нелинейтой обратной функцией (NFSR). После этого, с октября 2006 года не известно ни об одной атаке против Grain версии 1.0 быстрее, чем полный перебор. Однако, в сентябре 2006 года была опубликована попытка атаки на ключ[3]. В статье утверждается: "мы нашли связанные ключи и начальные значения в Grain, для любой пары(K,IV) с вероятностью 1/22 существует связанная пара (K’,IV’) которая генерирует ключевой поток сдвинутый на 1 бит. Хотя это и не является успешной атакой на ключ, данный факт показывает возможною слабость шифра при инициализации состояния."
См. также
Примечания
- ↑ Martin Hell, Thomas Johansson, Willi Meier. Grain - A Stream Cipher for Constrained Environments (англ.) : journal. — eSTREAM, 2005. — 29 April. Архивировано 26 мая 2011 года.
- ↑ Martin Hell, Thomas Johansson, Willi Meier. Grain - A Stream Cipher for Constrained Environments (англ.) : journal. — eSTREAM, 2006. Архивировано 27 мая 2011 года.
- ↑ Ozgul Kucuk. Slide Resynchronization Attack on the Initialization of Grain 1.0 (англ.) : journal. — eSTREAM, 2006. — 16 July. Архивировано 27 мая 2011 года.
Ссылки
- Grain на странице проекта eSTREAM Архивная копия от 6 октября 2008 на Wayback Machine
- Описание Grain Архивная копия от 27 мая 2011 на Wayback Machine
- Принципы построения потоковых шифров Архивная копия от 26 мая 2011 на Wayback Machine