Детектор (электроника)



Детектор, демодулятор (фр. demodulateur) — элемент электрической цепи, в котором происходит обнаружение электромагнитных колебаний. Детекторы могут работать в инфракрасных, видимых, ультрафиолетовых и радиодиапазонах.[1][2] Детектирование происходит отделением полезного (модулирующего) сигнала от несущей составляющей[3].
Радиодиапазон
Детектор радиоприёмного устройства, или демодулятор, восстанавливает информацию из радиосигнала, заложенную в него модулятором. Например, приём радио- или телепередач возможен за счёт демодуляции высокочастотного сигнала, поступившего на антенну устройства.
Демодулятор, в случае амплитудной модуляции (АМ), в простейшем случае может быть диодом или другим нелинейным элементом.
При частотной модуляции (ЧМ) применяется специальный каскад.
Важной функцией демодулятора цифрового сигнала является восстановление тактовой частоты передаваемого потока символов.
Демодуляторы, способные принимать сигналы, модулированные любыми способами (включая сложные сигналы типа КАМ256 или OFDM, применяющиеся при радиопередаче цифровой информации), называются векторными.
В простейшем случае детектор амплитудно-модулированного сигнала устроен аналогично выпрямителю. Принцип работы основан на предположении, что частота несущей значительно выше частоты модулирующего сигнала, а коэффициент модуляции меньше единицы. В этом случае сигнал на входе устройства выпрямляется и фильтруется с помощью ФНЧ с частотой среза большей, чем максимальная частота модулирующего сигнала.
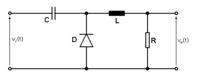
Простейший диодный АМ детектор
Демодулятор амплитудно-модулированного высокочастотного сигнала в простейшем случае представляет собой однополупериодный выпрямитель на одном диоде с выходным фильтром из конденсатора и резистора. Соотношение номиналов резистора и конденсатора выбирается так, чтобы оптимально сглаживать полупериоды несущей высокой частоты. При превышении амплитуды полупериодов несущей выше напряжения на конденсаторе диод открывается, и конденсатор заряжается; при уменьшении амплитуды полупериодов несущей ниже напряжения на конденсаторе диод закрывается, и конденсатор разряжается; тем самым огибающая восстанавливает модулирующий (низкочастотный) сигнал.
При демодуляции сигнала звуковых частот (20‑20 000 Гц) как правило, применяется кремниевый или германиевый диод и конденсатор ёмкостью порядка 10‑47 нФ.
Рассмотренная схема диодного АМ детектора получила название детектор с открытым входом. Вход назван открытым потому, что постоянная составляющая амплитудно-модулированного высокочастотного сигнала (при её наличии) беспрепятственно проходит на нагрузку детектора.
Если же поменять местами диод и конденсатор, получится детектор с закрытым входом или параллельный детектор, не пропускающий постоянную составляющую на нагрузку. По такой схеме строятся детекторные головки (ВЧ-пробники) для измерения переменного напряжения радиочастотного диапазона с помощью вольтметра постоянного тока.
Видеодетектор
Видеодетектор — электронное устройство, преобразователь электрических сигналов. При подаче на вход видеодетектора телевизионного сигнала на несущей или промежуточной частоте, на выходе формируются сигналы, необходимые для формирования видеоизображения на устройстве вывода (например, ЭЛТ). Таковыми сигналами являются:
- Яркостный сигнал — основной информационный сигнал
- Цветностные (цветоразностные) сигналы
- Сигналы управления развёрткой (синхроимпульсы)
- Сигнал уровня привязки чёрного цвета
- Информация для декодера телетекста
В видеодетекторах на основе видеопроцессоров, на выходе, как правило, вместо яркостного и цветностных сигналов выдаются сразу декодированные R, G, B-сигналы, полученные из них в соответствии с правилами кодирования одной из систем передачи цветности (PAL, SECAM, NTSC).
См. также
- Модуляция
- Демодуляция
- Выпрямитель
- Стереодекодер
- Декодер сигналов цветности
- Фазовый детектор
- Синхронный детектор
Примечания
- ↑ Детектирование//Энциклопедия современной техники. Автоматизация производства и промышленная электроника. Том 1 (А — И) — М.: Советская энциклопедия, 1962
- ↑ Детектор//Энциклопедия современной техники. Автоматизация производства и промышленная электроника. Том 1 (А — И) — М.: Советская энциклопедия, 1962
- ↑ Словарь по кибернетике / Под ред. академика В. С. Михалевича. — 2-е. — Киев: Главная редакция Украинской Советской Энциклопедии имени М. П. Бажана, 1989 год. — 751 с. — (С48). — 50 000 экз. — ISBN 5-88500-008-5.